Jump to content

SimShaker - Wings support thread for IL-2 users


Recommended Posts

marcost
Posted

Hi Andre,

 

Just a thought - everyone will have a joystick button or keyboard key mapped to functions like bomb door opening. If your app could read these inputs, a shake wav could be associated with the function to create the same effect as if read by telemetry? Obviously it wouldn't follow the duration of operation of the aircraft system, but would at least give the option for an "on/off" shake.

 

Cheers,

 

M

Posted
6 minutes ago, marcost said:

Hi Andre,

 

Just a thought - everyone will have a joystick button or keyboard key mapped to functions like bomb door opening. If your app could read these inputs, a shake wav could be associated with the function to create the same effect as if read by telemetry? Obviously it wouldn't follow the duration of operation of the aircraft system, but would at least give the option for an "on/off" shake.

 

Cheers,

 

M

Hi M,

Yes, you are right. Thank you for chiming in. 
Well, when I first started the SimShaker project, I tried a similar approach, if I remember correctly, for the ejection effect. It complicates everything, but does not give a reliable result. Pressing buttons does not always lead to performing an action in the game, key combinations can be changed by the user or the game developers, buttons can be pressed on different devices and all of them need to be tracked, etc.
In general, I was not happy with it and removed it.

marcost
Posted

Hi,

 

Yes that makes sense, thank you for considering though!

 

Best regards,

 

Martin

  • Like 1
JFS4_Eisbaer
Posted

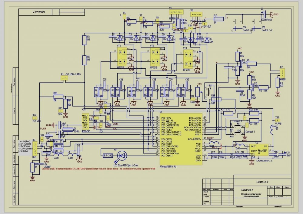
In case anyone needs the circuit diagram for troubleshooting.
 

IMG_4737.jpeg

  • Thanks 1
Posted

Does SimShaker Wings work with Decimation = 1?

 

I have a VPForce Rhino FFB and it requires Decimation = 1 and wondering if this would cause a conflict with SimShaker Wings since it specifies Decimation = 2

Posted
4 hours ago, c19580 said:

Does SimShaker Wings work with Decimation = 1?

 

I have a VPForce Rhino FFB and it requires Decimation = 1 and wondering if this would cause a conflict with SimShaker Wings since it specifies Decimation = 2

Yes, it does work. 

Spidey002
Posted
On 6/19/2025 at 6:04 AM, Andre said:

Oh, I think this could be great to feel it as well. But no, the game doesn't expose this data in the telemetry.
So, we can't judge are they opened or not. I'm sorry.


What about dive flaps on the P-38?

Posted
1 hour ago, Spidey002 said:


What about dive flaps on the P-38?

Well, I haven't tested it thus far. Can you feel them?

Spidey002
Posted
7 hours ago, Andre said:

Well, I haven't tested it thus far. Can you feel them?

 

Just checked. Can't feel any change when using them.

Posted
17 hours ago, Spidey002 said:

 

Just checked. Can't feel any change when using them.

You mean the Speed Brake we can extend/retract with the RAlt+B keystroke. Right?

Spidey002
Posted
1 hour ago, Andre said:

You mean the Speed Brake we can extend/retract with the RAlt+B keystroke. Right?

Yes

Posted
2 hours ago, Andre said:

You mean the Speed Brake we can extend/retract with the RAlt+B keystroke. Right?

 

11 minutes ago, Spidey002 said:

Yes

Basically, the Speed Brake effect is implemented and should work. I will check it on my end. 

Thank you for the feedback.

  • Thanks 1
Spidey002
Posted
4 hours ago, Andre said:

 

Basically, the Speed Brake effect is implemented and should work. I will check it on my end. 

Thank you for the feedback.

 

Just double-checked in-game. Watched the SimShaker window, and saw no activation light on Speed Air Brake when using the dive flaps. G-Force activated, but not the air brakes.

  • Thanks 1
Spidey002
Posted

BTW, thank you for your timely interactions with me and the community on this forum! You've earned yourself a customer. :)

  • Like 1
  • Thanks 1
Posted
On 6/28/2025 at 7:54 PM, Spidey002 said:

 

Just double-checked in-game. Watched the SimShaker window, and saw no activation light on Speed Air Brake when using the dive flaps. G-Force activated, but not the air brakes.

Well, I can see in the game telemetry output that in case of P-38J-25 there is NO change in the Speed Brake state.
I will report this issue to the IL-2 team. Hopefully they will fix the issue. 
Thanks again for the feedback.

  • Like 1
  • Thanks 1
  • 3 weeks later...
TAIPAN_
Posted (edited)

Hi Guys,

 

Does anyone own the Sopwith Pup (FC volume 4)? 

I've been getting back into the FC WW1 aircraft since I setup my Jetseat with Wings, and I notice no vibration from the guns. 
Guns cause strong vibrations in the Sopwith Camel, and Triplane but not the Pup.

 

I have v 2.21 with the "Automatic AC Type Presets" disabled, I have just one setting for all aircraft.

 

There is only one gun on the Pup, but my settings look like this:

image.png.c2267b17f796a9ec26c726b17fc64c61.png image.png.0f89247f871c18fbe95f4d4e8e28b634.png

 

I recorded the verbose log, and can see the Gunfire detected and gunfire sample triggered. 

However the seat gain is only 2 and Audio gain is only 1. 

 

Here is what I see in the log for the Pup:

image.thumb.png.aa9dd87760fbeeb7397810acc8a27cea.png

 

When testing the Triplane, I see the gain is 100:

image.png.6266b3306141600f294b41cdd6e74fd3.png

 

Any idea what could cause the gain to be so low for the Sopwith Pup?

 

Edited by TAIPAN_
Posted
49 minutes ago, TAIPAN_ said:

Hi Guys,

 

Does anyone own the Sopwith Pup (FC volume 4)? 

I've been getting back into the FC WW1 aircraft since I setup my Jetseat with Wings, and I notice no vibration from the guns. 
Guns cause strong vibrations in the Sopwith Camel, and Triplane but not the Pup.

 

I have v 2.21 with the "Automatic AC Type Presets" disabled, I have just one setting for all aircraft.

 

There is only one gun on the Pup, but my settings look like this:

image.png.c2267b17f796a9ec26c726b17fc64c61.png image.png.0f89247f871c18fbe95f4d4e8e28b634.png

 

I recorded the verbose log, and can see the Gunfire detected and gunfire sample triggered. 

However the seat gain is only 2 and Audio gain is only 1. 

 

Here is what I see in the log for the Pup:

image.thumb.png.aa9dd87760fbeeb7397810acc8a27cea.png

 

When testing the Triplane, I see the gain is 100:

image.png.6266b3306141600f294b41cdd6e74fd3.png

 

Any idea what could cause the gain to be so low for the Sopwith Pup?

 

Hi TAIPAN_,
The log rather looks like for the SimShaker Pad than JetSeat, but it shouldn't be important in this case.
I think I have a guess but it will take me some time and actiton to check it. Please hold on. 
Thank you for the feedback.

 

TAIPAN_
Posted
7 hours ago, Andre said:

Hi TAIPAN_,
The log rather looks like for the SimShaker Pad than JetSeat, but it shouldn't be important in this case.
I think I have a guess but it will take me some time and actiton to check it. Please hold on. 
Thank you for the feedback.

 

That's right I think, JetPad from Sergio

Spidey002
Posted

Is it possible to model the canopy open/close in Il-2? Does the software expose this in the telemetry?

Posted
1 minute ago, Spidey002 said:

Is it possible to model the canopy open/close in Il-2? Does the software expose this in the telemetry?

No, it doesn't. I'm sorry.

  • Thanks 1
Posted
On 7/15/2025 at 5:38 PM, TAIPAN_ said:

Hi Guys,

 

Does anyone own the Sopwith Pup (FC volume 4)? 

I've been getting back into the FC WW1 aircraft since I setup my Jetseat with Wings, and I notice no vibration from the guns. 
Guns cause strong vibrations in the Sopwith Camel, and Triplane but not the Pup.

 

I have v 2.21 with the "Automatic AC Type Presets" disabled, I have just one setting for all aircraft.

 

There is only one gun on the Pup, but my settings look like this:

image.png.c2267b17f796a9ec26c726b17fc64c61.png image.png.0f89247f871c18fbe95f4d4e8e28b634.png

 

I recorded the verbose log, and can see the Gunfire detected and gunfire sample triggered. 

However the seat gain is only 2 and Audio gain is only 1. 

 

Here is what I see in the log for the Pup:

image.thumb.png.aa9dd87760fbeeb7397810acc8a27cea.png

 

When testing the Triplane, I see the gain is 100:

image.png.6266b3306141600f294b41cdd6e74fd3.png

 

Any idea what could cause the gain to be so low for the Sopwith Pup?

 

Hi guys,
a brief report on this issue.
The problem: a very low level of the GunFire effect.
Affected ACs:
-FC3 Nieuport 11
-FC3 Nieuport 17 GBR (but not the regular N17)
-FC3 Albatros DII
-FC4 Albatros DIII
-FC4 Sopwith Pup
Culprit: presumably wrong data in the game telemetry. Reported to IL-2 devs.
Fix: Fortunately, I can re-adjust the data inside the Wings app. The fix will be available in the very next Wings version.

Special thanks to TAIPAN_ for testing and research.

  • Like 1
  • Thanks 4
  • 2 weeks later...
Posted

Hi guys,
SimShaker Wings software version 2.22 is available in the beta channel.
https://simshaker.com/downloads/beta_SimShaker-Wings_Setup_v_2.22.msi

Changelog:

Added: The More Options -> GunFire 2 setting (slider) is now available for the IL-2. The logic is that the smallest or only caliber of the weapon depends on the GunFire slider. The remaining calibers depend on GunFire 2 one. Accordingly, the samples used by the program are also named gunfire and gunfire2

 

Fixed: A very low level of GunFire effect for certain IL-2 aircrafts.
Affected:
-FC3 Nieuport 11
-FC3 Nieuport 17 GBR (but not the regular N17)
-FC3 Albatros DII
-FC4 Albatros DIII
-FC4 Sopwith Pup
The problem is probably caused by incorrect data in the IL-2 telemetry. I have reported it to the IL-2 developers. Fortunately, I can correct this data in the Wings application and fix the problem.

 

Changed: For War Thunder, the Engine Beat effect has been slightly reworked, it should be felt better at low engine speeds.

 

Added: Similar to what already exists for the IL-2, for War Thunder added individual aircraft type presets and a separate checkbox in the interface for enabling/disabling this feature. This opens up the possibility of fine-tuning the effects for specific types, such as weapons and stall situations (by setting threshold values for the angle of attack).

 

Added: For Aerofly FS 4, added the Engine Beat effect - based on data about the throttle position and whether the engine is running.

 

Fixed: For Aerofly FS 4, the telemetry plugin has been updated, ensuring compatibility with the latest versions of the game.

 

Happy flying!

  • Like 1
  • Thanks 2
marcost
Posted

Nice addition, thanks Andre!

  • Like 1
Spidey002
Posted

Is it possible to import the cannon vibrations from Aviator Sound module for Wings? I really like their kick. 

Posted
2 hours ago, Spidey002 said:

Is it possible to import the cannon vibrations from Aviator Sound module for Wings? I really like their kick. 

Yes, I believe that Wings can comprehense Sound Module for Aviators samples. Just assign the file a right name and put it into the right place.
May I see a screenshot of your Wings settings for Bass-shaker output?

Spidey002
Posted
10 hours ago, Andre said:

Yes, I believe that Wings can comprehense Sound Module for Aviators samples. Just assign the file a right name and put it into the right place.
May I see a screenshot of your Wings settings for Bass-shaker output?

 

image.thumb.png.a17e1576aeaf3f87b8a6f3965a8804d9.png

 

I can see the names of the files I would want to modify: "gunfire.wav" and "gunfire2.wav"

image.thumb.png.9b5a20533251c6a7690f17c9803a5fc5.png

 

And I think I found the name of the file I want to copy.

image.thumb.png.672460b972809c89e905e2232d8aec4d.png

image.thumb.png.69d27c2d36830612084e62c2e8589842.png

 

Do I put it here and rename it "gunfire.wav"?

C:\Users\...\OneDrive\Documents\SimShaker-Wings FXs\Audio\Customized\1

Posted
1 hour ago, Spidey002 said:

 

image.thumb.png.a17e1576aeaf3f87b8a6f3965a8804d9.png

 

I can see the names of the files I would want to modify: "gunfire.wav" and "gunfire2.wav"

image.thumb.png.9b5a20533251c6a7690f17c9803a5fc5.png

 

And I think I found the name of the file I want to copy.

image.thumb.png.672460b972809c89e905e2232d8aec4d.png

image.thumb.png.69d27c2d36830612084e62c2e8589842.png

 

Do I put it here and rename it "gunfire.wav"?

C:\Users\...\OneDrive\Documents\SimShaker-Wings FXs\Audio\Customized\1

Yes, please do that.

Spidey002
Posted

Hmm… still doesn’t have the same punch as in SimShaker for Aviators in DCS. 

Posted
10 hours ago, Spidey002 said:

Hmm… still doesn’t have the same punch as in SimShaker for Aviators in DCS. 

Can you see the record "Customized FX file found ... " in the Wings log box?

Spidey002
Posted
9 hours ago, Andre said:

Can you see the record "Customized FX file found ... " in the Wings log box?

 

Yes

 

image.png.34a4db164fe727858cd8a53b4ae00462.png

Posted
5 minutes ago, Spidey002 said:

 

Yes

 

image.png.34a4db164fe727858cd8a53b4ae00462.png

Looks good, thank you.

In order to narrow the gap even more you can try to enable the Sound Module in the Wings package.
image.png.97a23cf85610c901c8996ac27b82aba8.png

 

In this case please put the samples into the Documents\SimShaker Sound Module Wings samples\Customized\1 subfolder.

 

Spidey002
Posted
3 hours ago, Andre said:

Looks good, thank you.

In order to narrow the gap even more you can try to enable the Sound Module in the Wings package.
image.png.97a23cf85610c901c8996ac27b82aba8.png

 

In this case please put the samples into the Documents\SimShaker Sound Module Wings samples\Customized\1 subfolder.

 

 

Ok, I definitely felt the kick in the samples with the sound module, but it's muted in-game, perhaps because it's getting cancelled out by the engine beat.

ACG_Blinglaw
Posted

Hi Andre,

 

I have a two shaker setup, one front, one rear. I'm converting the 6 channel files to front and rear. The amplifier is plugged into front channel (green port) of motherboard audio output.

 

Could you please tell me if my method below is correct, if not show me a screenshot example of how to convert the 6 channel files into front and rear?

 

Below is my method. Directing track 1 and track 2 to channel 1 (my front shaker) and track 5, and track 6 to channel 2 (my rear shaker).

 

 

image.thumb.png.c4c234b15df0482fe29ecfa78197cca9.png

Posted
28 minutes ago, ACG_Blinglaw said:

Hi Andre,

 

I have a two shaker setup, one front, one rear. I'm converting the 6 channel files to front and rear. The amplifier is plugged into front channel (green port) of motherboard audio output.

 

Could you please tell me if my method below is correct, if not show me a screenshot example of how to convert the 6 channel files into front and rear?

 

Below is my method. Directing track 1 and track 2 to channel 1 (my front shaker) and track 5, and track 6 to channel 2 (my rear shaker).

 

 

image.thumb.png.c4c234b15df0482fe29ecfa78197cca9.png

Hello Blinglaw,
Looks good but a bit redundant, which makes it more complicated. As you've got 2 shakers, why not to use 2 channels files?

2 minutes ago, Andre said:

Hello Blinglaw,
Looks good but a bit redundant, which makes it more complicated. As you've got 2 shakers, why not to use 2 channels files?

If you enable the Sound Module which comes with the Wings package, you can do the same job easier with the Samples Customizer featre embedded in the Sound Module.

ACG_Blinglaw
Posted
8 hours ago, Andre said:

Hello Blinglaw,
Looks good but a bit redundant, which makes it more complicated. As you've got 2 shakers, why not to use 2 channels files?

If you enable the Sound Module which comes with the Wings package, you can do the same job easier with the Samples Customizer featre embedded in the Sound Module.

 

Does il2 not output directional telemetry? I was hoping to preserve the direction of the vibration. And play the front left and front right sound channels on only the front speaker.

 

So anything happening on the front of the plane would be felt there and not also on the rear.

 

If I use the 2 channel files. Is it not Left and Right directional telemetry? I thought it would be odd feeling the left front and rear directional effects in the front shaker and right side effects in the rear shaker.

Posted
9 minutes ago, ACG_Blinglaw said:

 

Does il2 not output directional telemetry? I was hoping to preserve the direction of the vibration. And play the front left and front right sound channels on only the front speaker.

 

So anything happening on the front of the plane would be felt there and not also on the rear.

 

If I use the 2 channel files. Is it not Left and Right directional telemetry? I thought it would be odd feeling the left front and rear directional effects in the front shaker and right side effects in the rear shaker.

Well, the game outputs raw data which must be interpreted somehow. I concider left-right separation as natural for aircraft: Let-right engine, left right langing gear, left-right gun, etc. Hence, Wings interpretes the game data in this context. And yes, when you use 2 channel files, is it Left and Right directional efftcts. But so is the 6 channels files, just spreaded 3 times.
Your idea to place the effects in accordance with 5.1 speakers layout sounds interesting.
But I didn't have it in mind when developing the software. I'm afraid it would require exactly 5 shakers and missing any of them would rouine the pattern.

ACG_Blinglaw
Posted

No worries Andre. Thank you for the explanation.

 

I think instead of this I will look into expanding my shaker set up. With some left and right shakers. I'll leave these two in the center, but at a lower gain.

  • Like 1
Posted
8 minutes ago, ACG_Blinglaw said:

No worries Andre. Thank you for the explanation.

 

I think instead of this I will look into expanding my shaker set up. With some left and right shakers. I'll leave these two in the center, but at a lower gain.

Happy to help!

Panzerlang
Posted

Excuse me sticking my oar in but it might help. You are never going to feel any meaningful difference by having directional vibrations. I have two big LFEs, one in front of the rudder pedals, the other under my seat, and they provide superb effects through my 'airframe', much as I'd expect to feel in a real plane. Maybe if one wheel failed to extend (shot up in combat) you might feel that difference if your shakers were mounted far enough apart, right/left, but worth the effort? I seriously doubt it.

Posted
8 hours ago, Panzerlang said:

Excuse me sticking my oar in but it might help. You are never going to feel any meaningful difference by having directional vibrations. I have two big LFEs, one in front of the rudder pedals, the other under my seat, and they provide superb effects through my 'airframe', much as I'd expect to feel in a real plane. Maybe if one wheel failed to extend (shot up in combat) you might feel that difference if your shakers were mounted far enough apart, right/left, but worth the effort? I seriously doubt it.

Agree ...nothing to feel between left to right..only front to back  

Create an account or sign in to comment

You need to be a member in order to leave a comment

Create an account

Sign up for a new account in our community. It's easy!

Register a new account

Sign in

Already have an account? Sign in here.

Sign In Now
×
×
  • Create New...