Jump to content

Performance at high altitudes of 10000m, radial engines


Recommended Posts

Posted (edited)

Since developers unlocked altitudes up to 10km in the last patch (in custom missions) i have tested high altitude performance of many airplanes at 10000m.

 

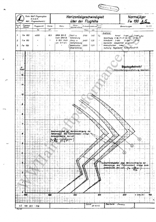
  • At 10000m radial engine airplanes – FW190A-3/A-5 and La-5/5FN are faster about 50-70km/h than real counterparts! They are the best high altitude performers in the game right now. Histrically they struggled to fly at 10000m. (up to 6000m they perform correctly in the game)
  • At 10000m Bodenplatte FW190A-8 performance are far worse than other radial engine planes from older game parts (A-3, A-5, La-5, La-5FN). It’s nearly 80km/h slower than A-5. Overall FW190A-8 seems realistic except overheating issue.
  • At 10000m FW-190A-3 and A-5 can still maintain ata 0.9 (similar situation with La-5FN). It's similar than Bf109Gs can maintain.
  • FW190A-3 and A-5 have far better performance than all Bf109s at 10000m. Contrary to real counterparts.
  • An altitude where La-5FN has the biggest advantage over G-14 is... about 10km! Yes. Also completely contrary to real life.

 

 

10000m, Cuban autumn, 15 degrees celsius, radiators open only to the point to prevent overheating

 

Airplane   Speed (IAS) / TAS [1-3min emergency]      Manifold which can be sustained at this alt
Yak-1b (314) / 529 500mm
La-5(F) (339) / 570 -
La-5FN (366) / 613 660mm
MiG-3 (352) / 590 -
Bf 109 F4 (358) / 600     [373/624] ata 0.8 [ata 1]
Bf 109 G2 (369) / 617 ata 0.8
Bf 109 G4 (360) / 603     [372/622] ata 0.8 [ata 0.92]
Bf 109 G14 (350) / 587     [353/592] ata 0.82 [ata 0.96]
Fw 190A-3 (346) / 581     [388/647] ata 0.8 [ata 1]
Fw 190A-5 (355) / 595     [400/666] ata 0.8 [ata 0.92]
Fw 190A-8 (328) / 552     [352/590] ata 0.8 [ata 0.92]
Spitfire Vb (46) (338) / 568 -

Spitfire IX (70) (375) / 627     [389/649]                                  +13.9

 

 

FW190A-5

image.thumb.png.2f6dcb716392cd34aa3770299692fe66.png

 

La-5FN (Fw190A-5 here is far worse than irl - tested with soviet replacement propeller)

image.thumb.png.561f616c595f229c944a18bb8af17fb6.png

 

 

Overall – radial engine planes from Stalingrad/Moscow/Kuban seems not to be calibrated for altitudes higher than about 6km. Their performance are grossly exaggerated (except Bodenplatte FW190A-8). 

New mechanics including lower boiling temperatures in lower pressure are great, some things just needs calibration. 

I encourage you to test things by yourself.

Edited by kramer
  • Sad 2
  • Upvote 6
  • kramer changed the title to Performance at high altitudes of 10000m, radial engines
Posted (edited)

I'm not an expert, i share my test, try to chceck by yourself.

Other thing is aircraft performance wasn't probably calibrated in the game for high altitudes untill Bodenplatte. Since developers often underline they are applying new technologies to the older planes i think this old radial planes will be revised at the end.

Edited by kramer
Posted

About La-5FN one of developers, Gavrick i think, said La-5FN is 5km/h faster than real plane tests at sea level and 12km/h faster than real plane tests at 6km. He didn't say anything about higher altitudes. Looks like the higher the bigger the discrepancy.

About FW190 i know Germans decided to give pure fighter role over western front to Bf109 because FW190 with BMW801 struggled over 6000-6500m. It may be connected with physical engine of the game. Maybe it was not optimized to this kind of circumstances. They are proffesionals so they are aware of this high altitude parameters for sure.

-=PHX=-SuperEtendard
Posted

I haven't tested at 10 km, only up to 9 km, and yeah they don't drop off in performance as they should. The Fw 190 A-5 without wing guns for example can reach up to 690 km/h at 8k-9k, notice the difference between 1.42 and 1.3 ata, I think this happens because of a too exagerated ram effect at high altitude?

A-5_no_wing_guns.png

La-5FN_in_game_vs_irl.png

  • Thanks 3
  • Upvote 2
=EXPEND=13SchwarzeHand
Posted (edited)
11 hours ago, kramer said:

Overall – radial engine planes from Stalingrad/Moscow/Kuban seems not to be calibrated for altitudes higher than about 6km. Their performance are grossly exaggerated (except Bodenplatte FW190A-8). 

New mechanics including lower boiling temperatures in lower pressure are great, some things just needs calibration. 

 

This really seems to be a problem. However they do say that they want to keep their FM within 10% of the reference data. So this is actually still within their margin of error. The fact that this affects all radial engine planes, points at being a structural problem, that I hope gets fixed, because at these speeds 10% is a great deal...

Edited by =EXPEND=SchwarzeDreizehn
LeLv76_Erkki
Posted

I thought it was 5 %... or less? Even 5 % is a lot and often less than speed difference between two fighters. If Yak-1 would be 5 % faster it'd be faster than most 109s at the deck and about as fast as 190 using its 30 min power.

  • Thanks 1
Posted (edited)
10 hours ago, =EXPEND=SchwarzeDreizehn said:

However they do say that they want to keep their FM within 10% of the reference data. So this is actually still within their margin of error.

 

No. They say that want to keep their FM within 1% of the reference data. Not 10%. Just imagine what is 10% difference, calculate in mind. It would be like day and night. :) 

 

Gavrick about La-5FN:

Quote

The tests passed seven La-5 FN of different series, from May to December 1943. In general, the aircraft showed similar results:
The maximum speed at the ground level is an average of 578 km / h. (from 570 to 587 km / h). In the simulator - 583 km / h, in the range.
The maximum speed of 6 km is an average of 634 km / h (from 629 to 640 km / h). In the simulator - 646 km / h, only 1% faster.            [technically 2% faster from average, my comment]

 

So La-5FN is 5km/h faster than average real plane tests at sea level and 12km/h faster than average real plane tests at 6km. He didn't say anything about higher altitudes. Looks like the higher the bigger the discrepancy.

Looks like above 6m performence drop of La-5 and Fw190 is far too small. For now looks like high altitude performance are not modeled for this fighters. What is strange Yak and Bf109 performance drop looks close to real data.

Edited by sereme1
  • Thanks 1
  • Upvote 2
Posted (edited)

It's interesting Fw 190a5 has it's speed very much like on the chart until 6000m. And La 5fn until 3500m. Only above this heights difference is starting to grow rapidly. 

And all BoBp planes released until now looks correct at all heights.

Edited by MicEzo
Bremspropeller
Posted
14 hours ago, sereme1 said:

About FW190 i know Germans decided to give pure fighter role over western front to Bf109 because FW190 with BMW801 struggled over 6000-6500m.

 

That is put too simplistic.

In 42 and 43 the Luftwaffe almost exclusively employed 190s on the western fromt, with two specialzed Höhenstaffeln for the hi-alt work, using 109Gs with GM-1 injection and pressurized cabins. Those were comparable to the Spit HF squadrons. Yes, the 190's performance bled off rather quickly above it's critical altitude, but large dogfights seldomly took place at those altitudes (that does NOT say they never happened).

 

Even with the bombers coming into Germany in 1944, the 190s were not operating (much) above their critical altitude. The main issue was the 190s were employed for bomber-interception because thy brought a heavy armament right out of the factory. The 109 only made sense as a bomber-killer with those two 20mms slung under the wings, killing overall performance.

The job-split between the 109 and the 190 came mainly out of that issue.

 

In early to mid 1944, no german fighters* were really competitive on the western front at high altitude - that was due to a major cock-up in german engine-development in 41 and 42.

And because, to streamline production and maximize output, they decided to go "one size fits all" and built two fighter-airfrmes that had to cover the highly different eastern- and western front operational requirements.

___

* produced in larger quantities

Posted (edited)

Yes, nice detailed discription. But it won't change such a big difference of FW190 (excep tA-8) in speed above 6km.

Edited by sereme1
=EXPEND=13SchwarzeHand
Posted
2 hours ago, sereme1 said:

No. They say that want to keep their FM within 1% of the reference data. Not 10%. Just imagine what is 10% difference, calculate in mind. It would be like day and night. :) 

 

Oops sorry you are right!

  • 4 months later...
Posted (edited)
On 10/1/2018 at 10:56 AM, kramer said:

Since developers unlocked altitudes up to 10km in the last patch (in custom missions) i have tested high altitude performance of many airplanes at 10000m.

 

  • At 10000m radial engine airplanes – FW190A-3/A-5 and La-5/5FN are faster about 50-70km/h than real counterparts! They are the best high altitude performers in the game right now. Histrically they struggled to fly at 10000m. (up to 6000m they perform correctly in the game)
  • At 10000m Bodenplatte FW190A-8 performance are far worse than other radial engine planes from older game parts (A-3, A-5, La-5, La-5FN). It’s nearly 80km/h slower than A-5. Overall FW190A-8 seems realistic except overheating issue.
  • At 10000m FW-190A-3 and A-5 can still maintain ata 0.9 (similar situation with La-5FN). It's similar than Bf109Gs can maintain.
  • FW190A-3 and A-5 have far better performance than all Bf109s at 10000m. Contrary to real counterparts.
  • An altitude where La-5FN has the biggest advantage over G-14 is... about 10km! Yes. Also completely contrary to real life.

 

 

10000m, Cuban autumn, 15 degrees celsius, radiators open only to the point to prevent overheating

 

Airplane   Speed (IAS) / TAS [1-3min emergency]      Manifold which can be sustained at this alt
Yak-1b (314) / 529 500mm
La-5(F) (339) / 570 -
La-5FN (366) / 613 660mm
MiG-3 (352) / 590 -
Bf 109 F4 (358) / 600     [373/624] ata 0.8 [ata 1]
Bf 109 G2 (369) / 617 ata 0.8
Bf 109 G4 (360) / 603     [372/622] ata 0.8 [ata 0.92]
Bf 109 G14 (350) / 587     [353/592] ata 0.82 [ata 0.96]
Fw 190A-3 (346) / 581     [388/647] ata 0.8 [ata 1]
Fw 190A-5 (355) / 595     [400/666] ata 0.8 [ata 0.92]
Fw 190A-8 (328) / 552     [352/590] ata 0.8 [ata 0.92]
Spitfire Vb (46) (338) / 568 -

Spitfire IX (70) (375) / 627     [389/649]                                  +13.9

 

 

FW190A-5

image.thumb.png.2f6dcb716392cd34aa3770299692fe66.png

 

La-5FN (Fw190A-5 here is far worse than irl - tested with soviet replacement propeller)

image.thumb.png.561f616c595f229c944a18bb8af17fb6.png

 

 

Overall – radial engine planes from Stalingrad/Moscow/Kuban seems not to be calibrated for altitudes higher than about 6km. Their performance are grossly exaggerated (except Bodenplatte FW190A-8). 

New mechanics including lower boiling temperatures in lower pressure are great, some things just needs calibration. 

I encourage you to test things by yourself.

 

It seams in one of updates this high alt overperforming got fixed, yesterday i played with 190s and noticed that im slower so i run tests and check and i see now high speed was more normal and not so op like before, here it is how it looks for 190a3 and p-47d:

16azkna.jpg

(this is me manualy placing my tas speeds from test in il-2 bos airplanes in il-2 compare charts, not game extracting it like it was on origial compare)

first line is combat 2nd emergancy or boost on p-47

You can instantly see how its fixed now compared to how it was before, when i have time ill check how la5s are now and other early game airplanes, but i see also 109g2 dont have that strait up line anymore but more natural drop on high alt)

109g2 compared to p-47 (that other 109g2 line is when manualy going for 1-2min on 2700rpm, first line is combat mode):

28r2m3c.jpg

 

to me it seams they fix this problem, quick check on la5s and their speed on high alt is also lover then before, (didnt have time to test them fully)

 

la5fn and 190a5:

16kyivm.jpg

 

Edited by 77.CountZero
add la5fn and190a5 pic
Posted

 

48 minutes ago, =FSB=HandyNasty said:

which cas to tas converter do you use @77.CountZero ?

 

Just curious because with the one I use, I get the G-2 to only 630kph at 7000m on combat mode and automatic radiators

 

I use http://www.newbyte.co.il/calculator.php

 

im using this simple one, as that one was giving me most accurate numbers when i was checking speeds they used for p-47: http://www.csgnetwork.com/tasinfocalc.html

but im mostly interested in relations betwen airplanes, so if im using same principles and same tools for all airplanes i get atleast that , even if max speeds when converted are maybe to high or to low by few kmh depending what converter is used.

my ias for g2 at 6000 ( all auto) was 470kmh, with 80% fuel and on stalingrad autumn map

Please sign in to comment

You will be able to leave a comment after signing in



Sign In Now
×
×
  • Create New...