Jump to content

Recommended Posts

Posted (edited)

I am fairly sure from my research for creating a DCS C47 mod that this picture highlights an inaccuracy. The clamshell doors were removable for large cargo access. You could remove both or the front door. The front door had a removable panel in it to create the jump door (a door within a door if you like). It may have been possible to lock them open like the pic but the parasitic drag would be huge. As far as I know they left both doors off if they needed to drop big cargo out the door or just the front door for smaller items. 

 

Anyway, if I'm wrong in my understanding on this I'm happy to be corrected. 

 

image.thumb.jpeg.35b15023d46b1cd543a11f3efedeee02.jpeg

 

 

image.thumb.jpeg.8efb0711cc5d875e93a5d58f74e8e5ab.jpeg

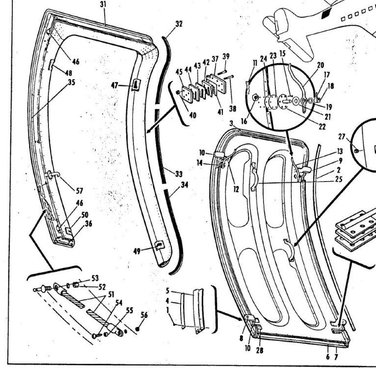
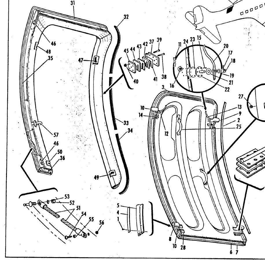
image.thumb.jpeg.eafd52e6b3e38b79f4a30f91660105f0.jpegimage.jpeg.65506a9792accb915f21b13a6bc4d1fc.jpeg499965190_Forwardcargodoorassembly.thumb.JPG.88ef59f586b87c482ee21c75cba21c3c.JPG

Edited by Stonehouse
  • Upvote 1
Posted

I am not an expert, but I have never seen nor heard of having the large rear cargo door removed for flight! I have never seen any instance of using the rear door for a cargo drop, only the smaller front door for personnel and cargo bundles. Just saying.?

Posted

There's no human alive who could physically push that forward door open, the total PSI from wind loading would be astronomical.  Likewise for the rear door, your arms would rip off as it probably took you and parts of the tail with it.  There's a reason future transports would mostly be built with inward opening doors.

Posted
5 hours ago, Arfsix said:

I am not an expert, but I have never seen nor heard of having the large rear cargo door removed for flight! I have never seen any instance of using the rear door for a cargo drop, only the smaller front door for personnel and cargo bundles. Just saying.?

 

Ok I believed it was the case that both doors could be removed but happy to be corrected. Certainly, the front door could be removed completely to facilitate dropping cargo out. Regardless I still believe modelling the C47 to have both doors still fitted and open in flight is incorrect. 

  • Stonehouse changed the title to C47 Bug/Inaccuracy

Create an account or sign in to comment

You need to be a member in order to leave a comment

Create an account

Sign up for a new account in our community. It's easy!

Register a new account

Sign in

Already have an account? Sign in here.

Sign In Now
×
×
  • Create New...