I./JG52_Woutwocampe Posted August 18, 2021 Posted August 18, 2021 Hello gentlemen. I noticed that often, when I'm flying the A8, even at full throttle, my MP doesnt reach 1.42 ATA and when I activate the boost, it stays at the same ATA value(around 1.39/1.40 ATA) instead of 1.58 ATA. RPM is 2700. It happens at low or high speed, climb or dive, I dont see any pattern here. Strangely enough, at supercharger's second gear I dont have this problem, MP will get to 1.65 ATA with the boost. I see 100% throttle and boost engaged in the technochat, just for the record. So, I'd like to understand what Im doing wrong that prevents me from reaching 1.42 ATA at emergency power. Cheers
Eisenfaustus Posted August 18, 2021 Posted August 18, 2021 If I understood correctly it’s the same boost system we got in the Jabo A5 - so it only works correctly below 1000m altitude. Though I might be wrong. In career I usually don’t use it for maneuvering in combat but to disengage once the odds turn against me. (And fighting mostly spitfires they usually do…) Gather speed in a dive to around 800m, kick in boost and fly away. Spit IX can’t follow ^^ 1
I./JG52_Woutwocampe Posted August 18, 2021 Author Posted August 18, 2021 9 minutes ago, Eisenfaustus said: If I understood correctly it’s the same boost system we got in the Jabo A5 - so it only works correctly below 1000m altitude. Though I might be wrong. In career I usually don’t use it for maneuvering in combat but to disengage once the odds turn against me. (And fighting mostly spitfires they usually do…) Gather speed in a dive to around 800m, kick in boost and fly away. Spit IX can’t follow ^^ I think its different. With the A8 the boost engaged only opens the throttle more, its not C3 or mw50 injection or anything. With the first supercharger gear you should reach 1.58 ata of boost and 2nd gear its 1.65 ata of boost.
Dr_Molem Posted August 18, 2021 Posted August 18, 2021 AFAIK, at the first supercharger speed, you will be able to get full 1.58 ata at sea level only.
Jade_Monkey Posted August 18, 2021 Posted August 18, 2021 As other said, this is related to altitude. Test at different alts and report back. The FW190 has a pretty serious loss of MP at what I would consider the sweet spot for BOX fights, which tends to be between 1000 and 2000 m. This is one of the reasons why I rarely fly the 190.
DEDMANcjp Posted August 18, 2021 Posted August 18, 2021 I think at about 2.7km alt the 2nd supercharger stage engages
I./JG52_Woutwocampe Posted August 18, 2021 Author Posted August 18, 2021 (edited) I thought the critical alt of the 1st gear was around 2000m. So I'd expect a slight manifold pressure drop around this mark but not at 1200m.... Edit : I did some quick tests in Bodenplatte, january 1945, minus 7 degrees, 757 mmHg. 100m alt : 1.42 ata with boost 1.58 ata. 300m alt : 1.42 ata with boost 1.58 ata. 500m alt : 1.42 ata with boost 1.55 ata 1000m alt : 1.41 ata with boost 1.45 ata. -So around 500m your boost starts losing effeciency despite the emergency power still at 1.42 ata. -The critical alt of the first gear is currently below 1000m. Edited August 18, 2021 by I./JG52_Woutwocampe
-=PHX=-SuperEtendard Posted August 19, 2021 Posted August 19, 2021 Critical altitude on the first supercharger gear for 1.42 ata should be around 1200 meters at high speeds and slightly below 1000 meters at low speeds (like slow climbing or maneuvering).
I./JG52_Woutwocampe Posted August 19, 2021 Author Posted August 19, 2021 21 minutes ago, -=PHX=-SuperEtendard said: Critical altitude on the first supercharger gear for 1.42 ata should be around 1200 meters at high speeds and slightly below 1000 meters at low speeds (like slow climbing or maneuvering). I was level flying and already at 1000m my MP at full throttle and 2700 rpm's was a little under 1.42 ata with the boost close to being totally inefficient.
6./ZG26_Klaus_Mann Posted August 19, 2021 Posted August 19, 2021 (edited) 1 hour ago, I./JG52_Woutwocampe said: I was level flying and already at 1000m my MP at full throttle and 2700 rpm's was a little under 1.42 ata with the boost close to being totally inefficient. Yup, sounds about right. Boost only gives you more full power time. Above 2700m you should get more ata again, but in 1st gear the Supercharger spins too slowly to get more than 1.58 at Sea Level. It's simply the most it can do physically. And at 1200 1.42 is the most it can do. It's like upping the Boost on your Car without giving it longer gears. Edited August 19, 2021 by 6./ZG26_Klaus_Mann
CountZero Posted August 19, 2021 Posted August 19, 2021 This is what i get from last time i tested it: so its effective up to 1km then abow ~2.5 up to ~6.2km 1
I./JG52_Woutwocampe Posted August 19, 2021 Author Posted August 19, 2021 So basically the boost in the A8 is only efficient very close to see level and above 2500 kms where the 2nd gear kicks in. Interesting.
6./ZG26_Klaus_Mann Posted August 19, 2021 Posted August 19, 2021 1 hour ago, I./JG52_Woutwocampe said: So basically the boost in the A8 is only efficient very close to see level and above 2500 kms where the 2nd gear kicks in. Interesting. Consider that the Original Engine was limited by the Regulator to 1.32ata, and the Supercharger was geared to deliver that up to 2000m. That is what the Gearing was laid out for. And at Sea Level that means the Throttle was quite closed. Then they upped the maximum regulated boost to 1.42, a bit more open thus at Sea Level. Then they essentially de-regulated Boost for 1st Gear in the A-8, but even at maximum Throttle Opening it will only ever deliver 1.58. 1
I./JG52_Woutwocampe Posted August 19, 2021 Author Posted August 19, 2021 11 minutes ago, 6./ZG26_Klaus_Mann said: Consider that the Original Engine was limited by the Regulator to 1.32ata, and the Supercharger was geared to deliver that up to 2000m. That is what the Gearing was laid out for. And at Sea Level that means the Throttle was quite closed. Then they upped the maximum regulated boost to 1.42, a bit more open thus at Sea Level. Then they essentially de-regulated Boost for 1st Gear in the A-8, but even at maximum Throttle Opening it will only ever deliver 1.58. Makes sense!
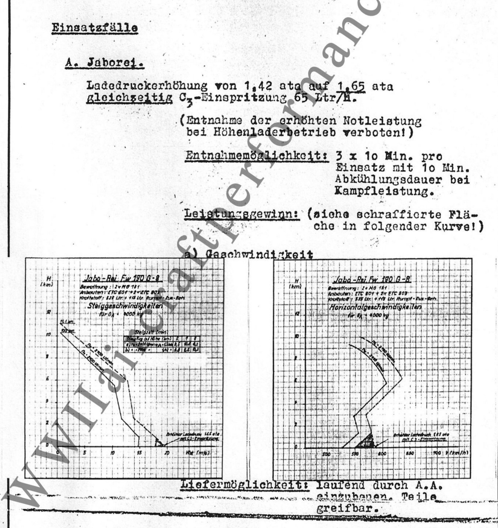
iFoxRomeo Posted August 20, 2021 Posted August 20, 2021 Just some addition: The BMW 801D was capable to deliver 1.65 ATA on the first stage. But the fuel pump could not deliver enough fuel at 1.65ATA on the first stage. That's why there was the additional C3 injection modification for the G-8. For comparison the "simple" increased boost: Fox
Recommended Posts
Please sign in to comment
You will be able to leave a comment after signing in
Sign In Now