Peasant Posted June 15, 2021 Posted June 15, 2021 (edited) 16 hours ago, LachenKrieg said: This post is so good that I had to quote it again because it provides the best rationale to include post damage analysis in the model. Then the player could better understand that the crew/equipment was injured/damaged by spalling, the tank was penetrated by this shell at this angle through this armor.... This is very important for a SIM, because it would help teach things like how to position your armor, and weak spots on the tank your in. It would be great if they could resolve what ever the issue is online, and make Tank Crew into a real WWII armor simulator capable of actually training virtual tank crews. The IL2 team has done an amazing job in such a short period of time, and the hope is they keep going in that direction. ahhh, hell no! If you're talking about adding hit camera, like in WarThunder, then I'm completely against it! Such system would useful to test different rounds outside of the battle, but a little window popping out and showing a zoomed in view of your round hitting the target is too arcade-y for this game. Edited June 15, 2021 by Peasant
Peasant Posted June 15, 2021 Posted June 15, 2021 7 hours ago, LachenKrieg said: Get in a Sherman and adjust your gun for a target 1000m away. How much do you have to adjust your elevation? The Sherman is rated for 73mm at 1000m against a 90 degree plate. It is not contacting the plate at 90 degrees anymore is it? Answer is: 13mils or less than 1°. 3
[F.Circus]sith1144 Posted June 15, 2021 Posted June 15, 2021 2 hours ago, Dakpilot said: A cursory Google search gives info on zis-3 76.2 field A/T gun (most commonly found with more than 100,000 produced) it has better ballistics than T-34 gun, and crews were told to aim at Gun mantle on Tiger as a known weak spot. This is of course hearsay but does give credence to the 'lucky shot' Tiger penetration in Feb 43. another line of thought could be where were Tigers in action on Eastern front in Feb 43 Cheers, Dakpilot The zis-3 has the exact same performance as the T-34s gun. They fire the same 76.2x385 round through the same L42.5 barrel (okay technically the zis-3 is L42.6) resulting in the same muzzle velocity (680m/s). They are both beaten by the 75, especially at range. 1 1
[F.Circus]MoerasGrizzly Posted June 15, 2021 Posted June 15, 2021 2 hours ago, Dakpilot said: another line of thought could be where were Tigers in action on Eastern front in Feb 43 I'm sure you can do more with this reference then me 1
Peasant Posted June 15, 2021 Posted June 15, 2021 (edited) One thing to note is that the shape of the hole behind the gunsight is more complicated than might seem: Edit: I've edited this schematic to show how big was the weakened area around the gunsight (real proportions). Edited June 15, 2021 by Peasant 4
[F.Circus]sith1144 Posted June 15, 2021 Posted June 15, 2021 6 hours ago, LachenKrieg said: -The penetration power of the Sherman's gun is reported as slightly less than 75 depending on the source you use. -Stating that the weak spot is only 70mm thick is only partly right. -The hole in question isn't 75mm in diameter. -You have no clue what gun made the shot, and more importantly at what distance. -Your calculations are missing some 4200+mm square of material that is 100mm thick and would have to be moved out of the way. Penetration testing is not to a 100% standard, absolutely give or take a couple mm, but also your "slightly less than 75mm" is more than 70mm. Prove it Prove that shells leave holes of their own diameter rather than larger holes as suggested by the test results of the 85mm. I submit all guns work that way unless firing APCR or HEAT. To be honest, If you can show a normal AP round penetrating and leaving a hole its exact did size it still wouldn't matter, because the discussion is wholly irrelevant to explaining how a sherman could in fact penetrate the weakspot We do, OP talked about a sherman at 1000m. If by this point you are not convinced the 75 could penetrate the weak spot i have a bridge to sell you. If you're talking about the picture I posted, I'm not saying that hole was made by a 75, i personally think it was made by a 76.2. it is not there to prove the Sherman can do it, it is there to illustrate the existance of the weak point. If you go back to when I explained deductive reasoning, the premise it supports is "there is a weak point in the mantlet at the location of the gunners optics" by showing a penetration there, to counter the imagine of an ausf. e asserting there isn't. This is why it came along with also pointing out they thickened the armour in exactly that spot on later models; to illustrate there was a weakspot there in early models. Do the maths better then. Go on, show your work.
LachenKrieg Posted June 15, 2021 Posted June 15, 2021 5 hours ago, [F.Circus]MoerasGrizzly said: Ofc. Whilst it looks bigger to you, you appear to be thwarted by the simple math and data that other users posted. You keep repeating an unsubstantiated 105mm claim whilst others have substantiated their claim with math and historical data. So, okay, let's assume you eyeballed it correctly. Which Soviet guns used in February 1943 were capable of doing the things you claim it would have to do? The Soviets at that point in time used 76mm or less for their AT and tank guns. You've made your hypothesis, but just repeating your assumptions over and over again doesn't substantiate your argument: What gun did the Soviets use that can make a hole that is as big as you claim? So a question that has still been left unanswered is how did you source the date of the picture? It is just a question. I am interested to know. I am not repeating assumptions. I am asking questions that you refuse to/can't answer. What gun and at what distance? 5 hours ago, [F.Circus]MoerasGrizzly said: I agree that this is a likely candidate for this kind of shot: Wikipedia's article on the gun helpfully includes an AP table which indicates it does have the performance required to penetrate 70mm of armour. Aren't you making an assumption about the distance? 4 hours ago, Peasant said: ahhh, hell no! If you're talking about adding hit camera, like in WarThunder, then I'm completely against it! Such system would useful to test different rounds outside of the battle, but a little window popping out and showing a zoomed in view of your round hitting the target is too arcade-y for this game. The post damage results are the only non-arcade thing in WT. Just because the used it doesn't make WT a SIM, nor does it make everything else an arcade. If you don't like to see this type of information, then I respect that, but I do. First the argument was that it would somehow give away a position. Then when spawning back in was pointed out as being an arcade feature, the response was DiD. So if the server is using DiD, then the player is no longer there and can't get in a plane to go searching. 3 hours ago, Peasant said: Answer is: 13mils or less than 1°. And this will likely work against penetration, not aid it in this case because the Tigers armor is flat. 3 hours ago, [F.Circus]MoerasGrizzly said: I'm sure you can do more with this reference then me So my question is, where did CautiousKerbal get the source for the photo. I'm not saying the date is wrong, but am interested to know. The radioman isn't usually in the turret, but CautiousKerbal might have other information about this photo.
[F.Circus]sith1144 Posted June 15, 2021 Posted June 15, 2021 (edited) 22 minutes ago, LachenKrieg said: And this will likely work against penetration, not aid it in this case because the Tigers armor is flat. lol Edited June 15, 2021 by [F.Circus]sith1144 1
LachenKrieg Posted June 15, 2021 Posted June 15, 2021 2 hours ago, [F.Circus]sith1144 said: Penetration testing is not to a 100% standard, absolutely give or take a couple mm, but also your "slightly less than 75mm" is more than 70mm. Prove it Prove that shells leave holes of their own diameter rather than larger holes as suggested by the test results of the 85mm. I submit all guns work that way unless firing APCR or HEAT. To be honest, If you can show a normal AP round penetrating and leaving a hole its exact did size it still wouldn't matter, because the discussion is wholly irrelevant to explaining how a sherman could in fact penetrate the weakspot We do, OP talked about a sherman at 1000m. If by this point you are not convinced the 75 could penetrate the weak spot i have a bridge to sell you. If you're talking about the picture I posted, I'm not saying that hole was made by a 75, i personally think it was made by a 76.2. it is not there to prove the Sherman can do it, it is there to illustrate the existance of the weak point. If you go back to when I explained deductive reasoning, the premise it supports is "there is a weak point in the mantlet at the location of the gunners optics" by showing a penetration there, to counter the imagine of an ausf. e asserting there isn't. This is why it came along with also pointing out they thickened the armour in exactly that spot on later models; to illustrate there was a weakspot there in early models. Do the maths better then. Go on, show your work. Go back and read his/her calculations. He/she showed an average thickness of 71.?mm. Add the other 4400mm square of material, and you are no longer at an average of 71mm. Look at the schematic for proof. And the only one making wild assumptions here is you because how do you know that the hole in that picture wasn't fired from a gun 200m away? How do you know that? And yet we are on page 3 of a discussion that is assuming the hole in a tank as seen from a picture taken sometime during WWII was fired from a Sherman tank at 1000m. And your the one demanding proof? The question isn't about math, the point is that he/she did not account for all the missing material pictured. 1 minute ago, LachenKrieg said: Go back and read his/her calculations. He/she showed an average thickness of 71.?mm. Add the other 4400mm square of material, and you are no longer at an average of 71mm. Look at the schematic for proof. And the only one making wild assumptions here is you because how do you know that the hole in that picture wasn't fired from a gun 200m away? How do you know that? And yet we are on page 3 of a discussion that is assuming the hole in a tank as seen from a picture taken sometime during WWII was fired from a Sherman tank at 1000m. And your the one demanding proof? The question isn't about math, the point is that he/she did not account for all the missing material pictured. And you have never accounted for the distance your are assigning to the penetration mark in the photo!
[F.Circus]sith1144 Posted June 15, 2021 Posted June 15, 2021 4 minutes ago, LachenKrieg said: And the only one making wild assumptions here is you because how do you know that the hole in that picture wasn't fired from a gun 200m away? How do you know that? And yet we are on page 3 of a discussion that is assuming the hole in a tank as seen from a picture taken sometime during WWII was fired from a Sherman tank at 1000m. And your the one demanding proof? Look. I have already tried explaining how deductive reasoning works. I can't convince you if you assume logic itself is wrong. Thats just no basis for an argument. You must at this point be willfully misunderstanding the actual reasoning behind the arguments in front of you. I never made *any* claims about the range for the photo of the mantlet penetration, because its there to show the weak spot exists, not that it can be penetrated by a sherman at 1000 meters. For that argument, look to all the other premises. They are, once again: The weakspot on the tiger is 70mm thick. You disagree with the maths, but refuse to show your calculations coming to a different result, so Im sticking with Xthetenths because I have reread it and it looks right to me. Even if it is a little thicker, a convincing argument backed by examples has been made that the so-called edge effect would further degrade the actual real world effectiveness of the armour The sherman is capable of reliably penetrating more than 70mm of armour at a range of 1000 meters taken together, we can conclude that the sherman can in fact penetrate the weak spot of the tiger from a range of 1000 meters, and therefore the situation described by OP is not a bug in the game but a realistic implementation of both the tigers armour and the 75mm guns firepower. I do not know why you keep going on about the photo, it has been explained multiple times that it is does not prove any of the above because we indeed do not know the specifics of what took out the tank, although it is likely (I could explain what that means, but Ive already explained deductive reasoning and Im not going to also give you a philospohy 101 on reductive reasoning) that it was a 75 or 76mm shell, because the hole at 93mm (you have, again, refused to actually show your work when it comes to it being over 100mm across) is too small for bigger guns than that, tho it could have been created by a smaller gun. I will say again Please prove to us that the 3-inch-ish weapons used by the Russians at the battle of Prokharovka are unable to penetrate the tigers mantlet weakspot and that therefore the thing that happened to OP is a bug. 1
LachenKrieg Posted June 15, 2021 Posted June 15, 2021 I didn't see the penetration mark on the radioman's side at first glance. But I would be interested in knowing the actual dates, as they are not always easy to source exactly. It would be interesting to know if CautiousKerbal has any info on the tank itself, as in unit number. I did a google and was able to find some information on the winter weather around Kharkov. The first snow fall for winter 42/43 occurred in mid December and only accumulated to more than 1.5 feet. This was a light winter compared to 41/42. Other than the near by trees and the posture of the Russian troops, the photo doesn't give many clues. In the lower right hand side of the photo, we see just a sliver of countryside, but cannot see any sign of snow. The only other possibility in the photo would be the Tiger's tracks, but there is no sign of snow there either. This photo could be from November 1942 to April 1943 if the year is accurate.
F.Circusxthetenth Posted June 15, 2021 Posted June 15, 2021 54 minutes ago, LachenKrieg said: And this will likely work against penetration, not aid it in this case because the Tigers armor is flat. Okay, so this is predicated on the assumption that the Tiger, in combat conditions, does not have its gun elevated to engage targets at range. But that said, do you know what impact a 13 milliradian angle has on line of sight thickness? I've already explained the trig for how to calculate this. But 13 milliradians is .744845 degrees. That is, it's three quarters of a single degree. The cosine of that, that you divide the 70mm thickness by to get the effective thickness, is 0.99991550122036288267722064540918... . I post it in all its terrible length to drive home that it's four digits till you get to something that isn't a one. So for the effective thickness of a 70mm plate presented at this angle that you claim makes a difference worth discussing, we get... drumroll 70.005915414419897741760036737411 mm This is irrelevant. I cannot use hyperbole powerful enough to express the sheer degree to which this is irrelevant. Entirely because this is utterly hilarious to me, I'll do yet more of your secretary work and look up which manufacturing techniques in the modern day can be expected to produce surface finishes within 5 micrometers of tolerance. It's sobering. Expect a massive bill for a luxurious machining and polishing process to get the armor to a fine enough sheen that a 13 mil impact angle matters on a 70mm part today. However, that said, from here on out do not presume upon me and my patience by randomly throwing out any factor you can think of without having done any consideration whatsoever about the actual magnitude of the effect in question. It's incredibly rude to trot something like that out and make me do the work of showing that the impact you think is big enough to matter is actually much less impactful than the surface finish of the armor plate in question, that is it's literally less than tank to tank variance. From here on out, say how much or how little impact you actually expect a consideration to have.
[F.Circus]MoerasGrizzly Posted June 15, 2021 Posted June 15, 2021 The tijgers unit number is included within the source I provided. If you wish to dispute it, please provide your own research
LachenKrieg Posted June 15, 2021 Posted June 15, 2021 10 minutes ago, xthetenth said: Okay, so this is predicated on the assumption that the Tiger, in combat conditions, does not have its gun elevated to engage targets at range. But that said, do you know what impact a 13 milliradian angle has on line of sight thickness? I've already explained the trig for how to calculate this. But 13 milliradians is .744845 degrees. That is, it's three quarters of a single degree. The cosine of that, that you divide the 70mm thickness by to get the effective thickness, is 0.99991550122036288267722064540918... . I post it in all its terrible length to drive home that it's four digits till you get to something that isn't a one. So for the effective thickness of a 70mm plate presented at this angle that you claim makes a difference worth discussing, we get... drumroll 70.005915414419897741760036737411 mm This is irrelevant. I cannot use hyperbole powerful enough to express the sheer degree to which this is irrelevant. Entirely because this is utterly hilarious to me, I'll do yet more of your secretary work and look up which manufacturing techniques in the modern day can be expected to produce surface finishes within 5 micrometers of tolerance. It's sobering. Expect a massive bill for a luxurious machining and polishing process to get the armor to a fine enough sheen that a 13 mil impact angle matters on a 70mm part today. However, that said, from here on out do not presume upon me and my patience by randomly throwing out any factor you can think of without having done any consideration whatsoever about the actual magnitude of the effect in question. It's incredibly rude to trot something like that out and make me do the work of showing that the impact you think is big enough to matter is actually much less impactful than the surface finish of the armor plate in question, that is it's literally less than tank to tank variance. From here on out, say how much or how little impact you actually expect a consideration to have. So the point was it isn't going to add to the penetration. But you seem to be avoiding the important questions with nothing but lip! Even if we go with your 93 mm hole size. How is it you are explaining the probability of penetration by only accounting for a 75 mm hole? To repeat the average area thickness calculation you attempted, go back and add to it the missing material and you will find that the average area thickness is >80mm. 7 minutes ago, [F.Circus]MoerasGrizzly said: The tijgers unit number is included within the source I provided. If you wish to dispute it, please provide your own research Thanks, but when I click on the tank porn link you provided, I can't find anything related to the photo. So I am not disputing anything, I am just trying to find info on the photo. When I click on that link, am I supposed to go to the original post regarding that photo? 1 hour ago, [F.Circus]sith1144 said: Look. I have already tried explaining how deductive reasoning works. I can't convince you if you assume logic itself is wrong. Thats just no basis for an argument. You must at this point be willfully misunderstanding the actual reasoning behind the arguments in front of you. I never made *any* claims about the range for the photo of the mantlet penetration, because its there to show the weak spot exists, not that it can be penetrated by a sherman at 1000 meters. For that argument, look to all the other premises. They are, once again: The weakspot on the tiger is 70mm thick. You disagree with the maths, but refuse to show your calculations coming to a different result, so Im sticking with Xthetenths because I have reread it and it looks right to me. Even if it is a little thicker, a convincing argument backed by examples has been made that the so-called edge effect would further degrade the actual real world effectiveness of the armour The sherman is capable of reliably penetrating more than 70mm of armour at a range of 1000 meters taken together, we can conclude that the sherman can in fact penetrate the weak spot of the tiger from a range of 1000 meters, and therefore the situation described by OP is not a bug in the game but a realistic implementation of both the tigers armour and the 75mm guns firepower. I do not know why you keep going on about the photo, it has been explained multiple times that it is does not prove any of the above because we indeed do not know the specifics of what took out the tank, although it is likely (I could explain what that means, but Ive already explained deductive reasoning and Im not going to also give you a philospohy 101 on reductive reasoning) that it was a 75 or 76mm shell, because the hole at 93mm (you have, again, refused to actually show your work when it comes to it being over 100mm across) is too small for bigger guns than that, tho it could have been created by a smaller gun. I will say again Please prove to us that the 3-inch-ish weapons used by the Russians at the battle of Prokharovka are unable to penetrate the tigers mantlet weakspot and that therefore the thing that happened to OP is a bug. Yes the Sherman is capable of penetrating 70mm of armor at 1000m. And I don't mind if you stick with Xthethenth's calculations. But you should address the issue of missing material in his/her calculation because it will kinda changes the average area thickness he/she is reporting. And when you account for the missing material, the Sherman is no longer capable of penetrating the Tiger's weak spot. The reason I keep rightfully bringing you back to the photo is because you are using it to suggest that it is proof a Sherman can penetrate the Tiger there at 1000m. If you could prove that the shot was fired from 1000m, then yes, it could be used in the reasoning you are trying to apply. But that shot could have been made at 200m, so it tells you nothing about what might happen at 1000m. GET IT!
[F.Circus]sith1144 Posted June 15, 2021 Posted June 15, 2021 (edited) 21 minutes ago, LachenKrieg said: So the point was it isn't going to add to the penetration. this you? 2 hours ago, LachenKrieg said: And this will likely work against penetration 21 minutes ago, LachenKrieg said: But you seem to be avoiding the important questions with nothing but lip! did you just say a woman that did a load of maths to demonstrate *your point was wrong for you* say responded with "nothing but lip?" youre clearly just a troll kid, get your disrespectful ass out of here 21 minutes ago, LachenKrieg said: To repeat the average area thickness calculation you attempted, go back and add to it the missing material and you will find that the average area thickness is >80mm. no, you do it. Show your work, show your equations, then we can argue 21 minutes ago, LachenKrieg said: But you should address the issue of missing material in his/her calculation because it will kinda changes the average area thickness he/she is reporting. There is no missing material. Still waiting for you to prove otherwise 21 minutes ago, LachenKrieg said: The reason I keep rightfully bringing you back to the photo is because you are using it to suggest that it is proof a Sherman can penetrate the Tiger there at 1000m. If you could prove that the shot was fired from 1000m, then yes, it could be used in the reasoning you are trying to apply. But that shot could have been made at 200m, so it tells you nothing about what might happen at 1000m. GET IT! this is what I have been telling you. That is not anyones argument. You are the only one bringing it up. I only used it to show the existence of a weakspot. Edited June 15, 2021 by [F.Circus]sith1144 1
[F.Circus]MoerasGrizzly Posted June 15, 2021 Posted June 15, 2021 Behold the embed in the forum post on the left, and the reddit post on the right containing the information you claim to not see. Considering the prominence of the information, I consider it highly unlikely that you missed this unintentionally.
Dakpilot Posted June 15, 2021 Posted June 15, 2021 Is there a target range test mission, am sure I saw something like that. Surely someone could fire a few shots down range at a Tiger and see if this is a common repeatable thing, I am not near my computer for a while at the moment and even when I am, will be terribly time restricted Cheers, Dakpilot
LachenKrieg Posted June 15, 2021 Posted June 15, 2021 2 minutes ago, [F.Circus]sith1144 said: this you? did you just say a woman that did a load of maths to demonstrate *your point was wrong for you* say responded with "nothing but lip?" youre clearly just a troll, get your disrespectful ass out of here no, you do it. Show your work, show your equations, then we can argue There is no missing material. Still waiting for you to prove otherwise this is what I have been telling you. That is not anyones argument. You are the only one bringing it up. I only used it to show the existence of a weakspot. Yes it is me. If the thing being discussed isn't helping penetration, then it is working against it. GET IT! Her demonstration did more to support my view then prove it is wrong. And me telling her that she is avoiding my question with lip is not being disrespectful from my side. Go back and read that persons posts. So if I take the volume of a cylinder having a diameter of 93mm (your measurement) and a height of 100mm, I can then subtract from that the total volume of a cylinder with a diameter of 75mm to get what is missing (accounted for by Xthethent). If I then add what was missing to the volume she reported (75mm hole - gun sight knock out) to get the new total, I can then divide it by the area of a circle having a 93 mm diameter to get the average area thickness for a hole that size while accounting for the gun sight. But then I would have to report to you that the Sherman is unable to penetrate there. If there is no missing material, then in your books does this mean that a 75mm hole is the same size as a 93 to 105 mm hole? Yes there is a weak spot. But if the image shows the effect of a shot from 200m, how does that lend to your logic that it can explain what happens at 1000m? I mean really, its not that hard is it? 19 minutes ago, [F.Circus]MoerasGrizzly said: Behold the embed in the forum post on the left, and the reddit post on the right containing the information you claim to not see. Considering the prominence of the information, I consider it highly unlikely that you missed this unintentionally. I am not as internet savvy as you are. I have done nothing to be dishonest or make false claims. When I clicked on the link (his name), I was taken to a post by that person, which also reported that it was from 1 year ago. When I click on the embedded link, it takes me to a discussion about farting at weddings. Here is a screen shot of what I saw:
Irishratticus72 Posted June 15, 2021 Posted June 15, 2021 "The Gang get into an Internet forum argument". 1
[F.Circus]MoerasGrizzly Posted June 15, 2021 Posted June 15, 2021 18 minutes ago, LachenKrieg said: I am not as internet savvy as you are. The internet saviness required here is the ability to read the text in a forum post. That's it. That's all you need to do. 24 minutes ago, LachenKrieg said: If there is no missing material, then in your books does this mean that a 75mm hole is the same size as a 93 to 105 mm hole? Well there's your problem: You're taking made up numbers from you and one person and applying them to the mathmatical and data driven analysis from another person. This is why it's important for you to be able to tell different people apart.
LachenKrieg Posted June 15, 2021 Posted June 15, 2021 1 minute ago, [F.Circus]sith1144 said: look kid, Ill save you some headache and completely ignore the picture, whatever you want to say about it, lets act like I conceded it This still leaves the question of if a sherman 75mm can penetrate the weak spot in the mantlet at 1000 meters- thats the OPs post. We have stated, mathematically indicated even, that the armour there is in fact thin enough to penetrate, because it is only 70mm thick, and that even if the shell is bigger than the weak spot itself, which incidentally, I would like to see you measure as well, because per the schematic @Peasantmade it is about 95mm across (40 pixel tall slot vs the whole 550mm mantlet being 230 pixels tall) You are still refusing to actually show your work here, you are just saying that you can do it. Show it then. Itll be important when you get to maths in secondary school in a few years! a 75mm hole is different from a 93mm hole, but a 75mm shell would leave a bigger hole. This is how breach entry holes worked, it has been explained to you, youre just refusing to acknowledge that reality for unkown reasons. Okay so I don't mind your choice of words, just as long as you don't mind mine. And you should leave any further lecturing about disrespect off the table from here on. You keep going on and on about the size of hole a round leaves, and all you have used so far is your poorly understood interpretation of data left in a post on someones website? Why don't you try expanding a bit on your explanation of what you see? The size of the hole being left has connections with the penetrating power of the gun and the armor thickness. Go back to the website with the 85mm gun data. As you increase the thickness of the armor, what do you expect will happen to the size of hole that same gun leaves? Do you think the same gun will leave the same size hole when it punches through 80mm of armor as compared to when it punches through 130mm of armor? Even at 70mm, the Sherman is at its limit for penetration. But the average area thickness is not 71.7mm for a hole that is at least 93mm in diameter in that area. If you can't complete the calculation yourself, then ask Xthetenth. And go back to the photo of the Panther that Xthetenth posted. Move your focus from the broken part of the armor plate, and adjust your gun sight to the penetration mark labled as "17 pdr". That is a 76mm gun punching through 130mm of effective armor. Compare that penetration mark to the penetration mark in the Tiger. There is nothing empirical here, but it looks different to me qualitatively speaking.
F.Circusxthetenth Posted June 15, 2021 Posted June 15, 2021 21 minutes ago, LachenKrieg said: But you seem to be avoiding the important questions with nothing but lip! Even if we go with your 93 mm hole size. How is it you are explaining the probability of penetration by only accounting for a 75 mm hole? To repeat the average area thickness calculation you attempted, go back and add to it the missing material and you will find that the average area thickness is >80mm. No, you're doing your own work now. You're a big boy and I am not amused by your expectation that I do the work of figuring out your arguments for you. You're saying that my methodology actually proves your point, but you have done nothing to demonstrate it. In fact, as Peasant's later post shows, I was exceedingly generous to you. Give us the following evidence for your assertion: Empirical examples of the difference between shell diameter and penetration diameter, either at a similar thickness to the armor being discussed or enough to establish a trendline. In particular, find an example of a gun stretched to the limit of its penetration power, not copying figures from an 85mm plowing through relatively thin armor compared to its capabilities and forcing out a giant cone of brittle fracture (seriously, the tests you're talking about have 300mm exit diameters. This is just a giant plug being blown out of the rest of its plate). As far as you've shown, you're applying a very lazy linear scaling based on diameter, rather than a percentage scaling or more likely a scaling based on the frontal area of the shell, which does not bode well for this assumption that it is necessary to blow such a plug out of the armor in order for a penetration. Considering the existence of penetration criteria defined by 50% of the shell fragments passing through the armor, I do not consider this an assumption that is likely to hold unless significant counter evidence is presented. A calculation of the amount of material present in a section of tiger mantlet centered on the axis of the vision ports with the diameter that you have shown is reasonable to require for shell penetration. Such a calculation shall include consideration of the diagram Peasant posted, since that reduces the armor volume, and you are arguing that it is greater than or equal to what is required. Demonstration that that is outside the capability of the 75mm gun M3 against fully supported flat plate Demonstration that edge effects are not enough to change that (I personally doubt that you'll get here, so I'll at At that point I will take you seriously enough to respond, rather than expecting your objection to be to the same standards that brought us such gems as: A picture that is entirely meant to demonstrate that the Tiger H1 mantlet (the version that is and should be modeled in this game) is a known weak point by the tank's enemies is actually an argument that the very specific scenario discussed happened, rather than being a rebuttal to an equally context-free image of the mantlet of a later variant that is specifically tougher in the exact place being discussed One of the most technically unsophisticated attempts at image stadiometry I've seen in recent memory, getting the figures wildly off because of the unnecessary choice of a reference point that requires guesswork as to its location when pixel counting is easy in your operating system's image editor of choice Misunderstanding pixel based measurements using of all things a 96dpi screen's pixel pitch Claiming that an angle that causes a change in effective thickness of 5 micrometers matters on the scale of 70mm thick plates. Endless sophistry about the burden of proof Claiming that a demonstration of brittle fracture phenomenon caused by edge effect is somehow irrelevant because it isn't the exact vehicles in question. Having the temerity to claim that I'm not doing all of your homework for you in a way that takes account of every last thing you spitball as potentially rescuing your argument, and dismissing things because I dared show dissatisfaction at being expected to do that. As a friendly reminder, this thread started with the OP asserting that a mantlet penetration to the viewing port of a Tiger H1 by a Sherman at 1 km range is obviously unrealistic. You are on the side that's making a claim. Do you have any actual basis for it, or just the assertion that 3 3
[F.Circus]MoerasGrizzly Posted June 15, 2021 Posted June 15, 2021 (edited) 25 minutes ago, LachenKrieg said: Even at 70mm, the Sherman is at its limit for penetration. But the average area thickness is not 71.7mm for a hole that is at least 93mm in diameter in that area. If you can't complete the calculation yourself, then ask Xthetenth. Which begs the question: Which guns were the soviets using that took out this tank in February 1943? Because they were using 76.2mm guns or less, and all of them have worse penetration then the Sherman gun: None of them are capable of penetrating more then 80mm at any range. If we take your assumptions to their logical conclusion, that hole shouldn't exist. Yet it clearly does. Edited June 15, 2021 by [F.Circus]MoerasGrizzly 1
LachenKrieg Posted June 15, 2021 Posted June 15, 2021 4 minutes ago, xthetenth said: No, you're doing your own work now. You're a big boy and I am not amused by your expectation that I do the work of figuring out your arguments for you. You're saying that my methodology actually proves your point, but you have done nothing to demonstrate it. In fact, as Peasant's later post shows, I was exceedingly generous to you. Give us the following evidence for your assertion: Empirical examples of the difference between shell diameter and penetration diameter, either at a similar thickness to the armor being discussed or enough to establish a trendline. In particular, find an example of a gun stretched to the limit of its penetration power, not copying figures from an 85mm plowing through relatively thin armor compared to its capabilities and forcing out a giant cone of brittle fracture (seriously, the tests you're talking about have 300mm exit diameters. This is just a giant plug being blown out of the rest of its plate). As far as you've shown, you're applying a very lazy linear scaling based on diameter, rather than a percentage scaling or more likely a scaling based on the frontal area of the shell, which does not bode well for this assumption that it is necessary to blow such a plug out of the armor in order for a penetration. Considering the existence of penetration criteria defined by 50% of the shell fragments passing through the armor, I do not consider this an assumption that is likely to hold unless significant counter evidence is presented. A calculation of the amount of material present in a section of tiger mantlet centered on the axis of the vision ports with the diameter that you have shown is reasonable to require for shell penetration. Such a calculation shall include consideration of the diagram Peasant posted, since that reduces the armor volume, and you are arguing that it is greater than or equal to what is required. Demonstration that that is outside the capability of the 75mm gun M3 against fully supported flat plate Demonstration that edge effects are not enough to change that (I personally doubt that you'll get here, so I'll at At that point I will take you seriously enough to respond, rather than expecting your objection to be to the same standards that brought us such gems as: A picture that is entirely meant to demonstrate that the Tiger H1 mantlet (the version that is and should be modeled in this game) is a known weak point by the tank's enemies is actually an argument that the very specific scenario discussed happened, rather than being a rebuttal to an equally context-free image of the mantlet of a later variant that is specifically tougher in the exact place being discussed One of the most technically unsophisticated attempts at image stadiometry I've seen in recent memory, getting the figures wildly off because of the unnecessary choice of a reference point that requires guesswork as to its location when pixel counting is easy in your operating system's image editor of choice Misunderstanding pixel based measurements using of all things a 96dpi screen's pixel pitch Claiming that an angle that causes a change in effective thickness of 5 micrometers matters on the scale of 70mm thick plates. Endless sophistry about the burden of proof Claiming that a demonstration of brittle fracture phenomenon caused by edge effect is somehow irrelevant because it isn't the exact vehicles in question. Having the temerity to claim that I'm not doing all of your homework for you in a way that takes account of every last thing you spitball as potentially rescuing your argument, and dismissing things because I dared show dissatisfaction at being expected to do that. As a friendly reminder, this thread started with the OP asserting that a mantlet penetration to the viewing port of a Tiger H1 by a Sherman at 1 km range is obviously unrealistic. You are on the side that's making a claim. Do you have any actual basis for it, or just the assertion that Blah, blah, blah.... blah! I'm not the one that did the average area calculation, you did. And you reported that the average even when considering just the "earth moving model of armor" was below the penetration capabilities of the Sherman. I am just pointing out to you that the average area thickness you reported is not correct and that if you take the average area thickness for the size of hole in the photo (93mm by your measurement), then the "earth moving model of armor" can't be used to explain it because it exceeds the Sherman's penetration capabilities. Using just your initial methodology for volume of a 75mm hole though, I get >80mm thickness. And the Panther photo you used is more likely a captured vehicles that was used to test gun performance. But I am not disputing what you intended to show regarding edge effect. I am pointing to the comparison between the two images in relation to the size of two penetrating shots. One is labeled "17 pdr", the other is just a clean bore hole. There is no plate fracture evidence in the tiger photo other then the clean bore hole. We know the size of a "17 pdr". So what caused the hole in the Tiger photo? Regarding the elevation adjustment needed in a Sherman to account for 1000m range, the point was that in the case of the Tiger with its flat armor, the angle of contact works against penetration (stacks up against a 50% chance of penetration). In a case where the tanks armor is slopped, elevation adjustments can help to maybe gain back some of what was lost due to distance by normalizing the angle slightly. I mention this because you are trying to claim based on a photo in which you have no clue as to what gun fired the shot and from what distance that it proves a Sherman can penetrate a Tiger there from 1000m. The Sherman is already at it peak performance for penetration at 70mm. Just a friendly reminder, the photo you used as proof that the in-game result can be explained is irrelevant because you don't know what gun fired it and from what distance. Even if we go with your assertion that it was caused by a 75, or 76mm gun, then from what distance? And to create the size of hole in the photo, your average area calculation for thickness would have to account for the missing material. So your initial reported thickness to justify the in-game result is out. 17 minutes ago, [F.Circus]MoerasGrizzly said: Which begs the question: Which guns were the soviets using that took out this tank in February 1943? Because they were using 76.2mm guns or less, and all of them have worse penetration then the Sherman gun: None of them are capable of penetrating more then 80mm at any range. If we take your assumptions to their logical conclusion, that hole shouldn't exist. Yet it clearly does. Here's the part where child turns to idiot. That hole could have been made at a distance of 200m. GET IT!
[F.Circus]MoerasGrizzly Posted June 15, 2021 Posted June 15, 2021 I realize this is hard for you to grasp, but XTheTenth and Sith1144 are different people who make different arguments. Not being able to grasp basic theory of mind let alone the arguments that people are making is not helping your own stance here.
[F.Circus]sith1144 Posted June 15, 2021 Posted June 15, 2021 6 minutes ago, LachenKrieg said: I am just pointing out to you that the average area thickness you reported is not correct and that if you take the average area thickness for the size of hole in the photo (93mm by your measurement), then the "earth moving model of armor" can't be used to explain it because it exceeds the Sherman's penetration capabilities. Using just your initial methodology for volume of a 75mm hole though, I get >80mm thickness. You have not done this. You have only said you can, but have failed to actually show you can.
LachenKrieg Posted June 15, 2021 Posted June 15, 2021 1 minute ago, [F.Circus]MoerasGrizzly said: I realize this is hard for you to grasp, but XTheTenth and Sith1144 are different people who make different arguments. Not being able to grasp basic theory of mind let alone the arguments that people are making is not helping your own stance here. ooooh, good come back. Yeah we already went over this. I have been responding to the same argument without distinguishing between the various people for the last 2.5 pages since its just me against the crew.
[F.Circus]MoerasGrizzly Posted June 15, 2021 Posted June 15, 2021 8 minutes ago, LachenKrieg said: Here's the part where child turns to idiot. That hole could have been made at a distance of 200m. GET IT! Which soviet guns are capable of penetrating the armour thickness that you claim is present in that area at a range of 200m, or any range?
[F.Circus]sith1144 Posted June 15, 2021 Posted June 15, 2021 Still waiting for evidence it is impossible to penetrate the weak spot on the mantlet with a 75mm at 1000m btw
[F.Circus]MoerasGrizzly Posted June 15, 2021 Posted June 15, 2021 2 minutes ago, LachenKrieg said: Yeah we already went over this. I have been responding to the same argument without distinguishing between the various people for the last 2.5 pages since its just me against the crew. Mabye you should, like, show a little bit of respect and acknowledge your debate opponents as individuals.
LachenKrieg Posted June 15, 2021 Posted June 15, 2021 10 minutes ago, [F.Circus]sith1144 said: You have not done this. You have only said you can, but have failed to actually show you can. So if I take the volume of a cylinder having a diameter of 93mm (your measurement) and a height of 100mm, I can then subtract from that the total volume of a cylinder with a diameter of 75mm to get what is missing (accounted for by Xthethent). If I then add what was missing to the volume she reported (75mm hole - gun sight knock out) to get the new total, I can then divide it by the area of a circle having a 93 mm diameter to get the average area thickness for a hole that size while accounting for the gun sight. But then I would have to report to you that the Sherman is unable to penetrate there. 6 minutes ago, [F.Circus]sith1144 said: Still waiting for evidence it is impossible to penetrate the weak spot on the mantlet with a 75mm at 1000m btw Still waiting for evidence to support the argument that a Sherman can penetrate a Tiger there from 1000m, because the average area calculation done by Xthethenth under reported the thickness.
[F.Circus]MoerasGrizzly Posted June 15, 2021 Posted June 15, 2021 (edited) 12 minutes ago, LachenKrieg said: Still waiting for evidence to support the argument that a Sherman can penetrate a Tiger there from 1000m, because the average area calculation done by Xthethenth under reported the thickness. Correction: According to the data Peasant posted in this thread, it over-reported the thickness. If you wish to dispute that, you really should make your own calculation. Start from the ground up. Compare it to xthetent's calculation and nothing else. No speculation, just pure data driven approaches. And make sure that the resultant value is not higher then the AP capabilities of any Soviet-employed gun used in 1943 at any range. Edited June 15, 2021 by [F.Circus]MoerasGrizzly
F.Circusxthetenth Posted June 15, 2021 Posted June 15, 2021 2 minutes ago, LachenKrieg said: So if I take the volume of a cylinder having a diameter of 93mm (your measurement) and a height of 100mm, I can then subtract from that the total volume of a cylinder with a diameter of 75mm to get what is missing (accounted for by Xthethent). If I then add what was missing to the volume she reported (75mm hole - gun sight knock out) to get the new total, I can then divide it by the area of a circle having a 93 mm diameter to get the average area thickness for a hole that size while accounting for the gun sight. But then I would have to report to you that the Sherman is unable to penetrate there. You say that. You say lots of things that don't hold up to cursory scrutiny. Do the math and tell us the average thickness of a 93mm plug. Show that the Sherman wouldn't be able to penetrate there, or at least advance the case that a Sherman would need to benefit from edge effect to penetrate there so we can shift our wrangling to a genuinely interesting phenomenon rather than making me brush up on my geometry. 27 minutes ago, LachenKrieg said: And the Panther photo you used is more likely a captured vehicles that was used to test gun performance. But I am not disputing what you intended to show regarding edge effect. I am pointing to the comparison between the two images in relation to the size of two penetrating shots. One is labeled "17 pdr", the other is just a clean bore hole. There is no plate fracture evidence in the tiger photo other then the clean bore hole. We know the size of a "17 pdr". So what caused the hole in the Tiger photo? The 85mm penetrations that you're using as an example to claim that a penetrating hit would have to displace more armor than the diameter of the shell have a 300mm internal face, which is clear evidence of a different form of brittle fracture but a form of brittle fracture nonetheless. The panther and 17 pounder image is there to demonstrate how an edge in the armor, even one with a welded in plug, leads to a weakening of the armor. No more, no less. A gun which leaves relatively neat circular holes and some concerning cracks instead shatters the armor like glass when close to the stress concentration of the hull machine gunner port.
LachenKrieg Posted June 15, 2021 Posted June 15, 2021 6 minutes ago, xthetenth said: You say that. You say lots of things that don't hold up to cursory scrutiny. Do the math and tell us the average thickness of a 93mm plug. Show that the Sherman wouldn't be able to penetrate there, or at least advance the case that a Sherman would need to benefit from edge effect to penetrate there so we can shift our wrangling to a genuinely interesting phenomenon rather than making me brush up on my geometry. The 85mm penetrations that you're using as an example to claim that a penetrating hit would have to displace more armor than the diameter of the shell have a 300mm internal face, which is clear evidence of a different form of brittle fracture but a form of brittle fracture nonetheless. The panther and 17 pounder image is there to demonstrate how an edge in the armor, even one with a welded in plug, leads to a weakening of the armor. No more, no less. A gun which leaves relatively neat circular holes and some concerning cracks instead shatters the armor like glass when close to the stress concentration of the hull machine gunner port. I'm just following you Xthetenth, we both seem to like to talk a lot. Obviously I hit a nerve here, because oops, I am asking a relevant question. You gave an average area thickness based on a 75mm bore. Are you suggesting that the average area thickness wont go up if your initial calculations would have considered a 93mm hole? That is a simple question regardless of whether Peasant comes to your rescue or not. I am not making any claims, I am pointing out a question I have with the claim you are making. You are saying that the Tiger was penetrated by a 75mm gun from 1000m. By your own calculations, the opening is at least 93mm. So are you saying that a 75mm round can penetrate armor so that it leaves a 93mm hole without having to displace the material contained there? Yes I understand that you meant to use the photo to show how a plate can fracture. There is no such evidence in the Tiger photo. Yes the area is weaker compared to other parts of the mantlet. But while you intended it to mean nothing more, or less, I wanted to use it to compare the two penetration marks. In the Panther photo, the 76mm round from the 17 pdr, which has a lot more hitting power then the Sherman gun, does not appear to leave a 93mm hole. Understandably it is having to go through about 130mm of armor there. In the case of the Tiger, the round that penetrated there had to enlarge the opening in areas that exceed 70mm. And without knowing the distance that the shot in
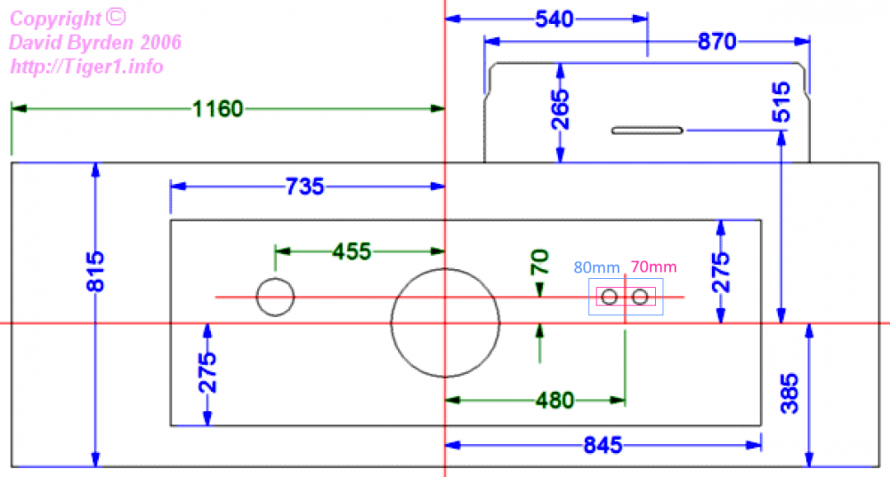
Peasant Posted June 15, 2021 Posted June 15, 2021 (edited) 1 hour ago, xthetenth said: -- snip -- I should've mentioned that in the schematic, 70mm thick area is 50mm high and the 80mm thick part is twice that number. Source: https://tiger1.info/EN/Telescope-holes.html Edit: The vulnerable area is between 70 and 80mm thick but two factors reduce the protection provided: 1) It's cast not rolled armour 2) the telescope openings. Therefore, it is perfectly plausible that the effective thickness is equal to, or even less than, 70mm of flat RHA. Edited June 15, 2021 by Peasant 2
LachenKrieg Posted June 15, 2021 Posted June 15, 2021 2 minutes ago, Peasant said: I should've mentioned that in the schematic, 70mm thick area is 50mm high and the 80mm thick part is twice that number. Source: https://tiger1.info/EN/Telescope-holes.html I don't see that source giving any dimension for the 80mm part. Can you explain where I can look?
Peasant Posted June 15, 2021 Posted June 15, 2021 (edited) 9 minutes ago, LachenKrieg said: I don't see that source giving any dimension for the 80mm part. Can you explain where I can look? The other schematic is from "WW2 ballistics armor and gunnery". I'll admit I've just eyed the height of the 80mm thick area, but I'm sure we can all agree that it's about twice the height of 70mm thick area, perfectly plausible that a 75mm diameter shell could fit through that. Edited June 15, 2021 by Peasant
[F.Circus]sith1144 Posted June 15, 2021 Posted June 15, 2021 15 minutes ago, LachenKrieg said: I'm just following you Xthetenth, we both seem to like to talk a lot. Obviously I hit a nerve here, because oops, I am asking a relevant question. ?
LachenKrieg Posted June 15, 2021 Posted June 15, 2021 (edited) Okay I cannot find anything to the contrary, so I have to go with Peasant at a distance of 100mm for the 80mm thick portion, which as he states is reasonable. So I took the calculation from Xthetenth (if she's anything like the red T above she has my attention), and I substituted 80mm where she originally used 100mm. So instead of 95,800, I added only 76,640 cubic mm of material. I then took the volume of a cylinder 93 x 80, and subtracted from that the volume of a cylinder 75 x 80. I then took that volume and added it to the adjusted volume from Xthetenth's original calculation before dividing it by the area of a circle 93mm across. The answer I get is 73.1mm Edited June 15, 2021 by LachenKrieg
Recommended Posts