Sternjaeger Posted December 11, 2013 Posted December 11, 2013 YES!!! I finally got myself one fellas It will need some TLC, but it's a Bf109-issue one, not a Stuka or other aircraft, really really really excited and looking forward to get to work on it :-) My wife doesn't understand the hype, but I'm sure you guys can understand the excitement! I should receive it after Xmas, pics will follow :-)
JtD Posted December 11, 2013 Posted December 11, 2013 Sounds like early Christmas for you. Looking forward to the pictures.
Sternjaeger Posted December 11, 2013 Author Posted December 11, 2013 (edited) here are some piccies before the restoration: it will need two original glasses (got 'em already), a tiny repair to the leather on the crashpad (found a company that's gonna do it for me) and a general cleaning :-) Edited December 11, 2013 by Sternjaeger 2
ImPeRaToR Posted December 11, 2013 Posted December 11, 2013 (edited) Hah did not expect to see a classic light bulp inside it Why is there red paint on it? Edited December 11, 2013 by ImPeRaToR
Sternjaeger Posted December 11, 2013 Author Posted December 11, 2013 (edited) oh yes, all gunsights have simple light bulbs, some of them are frosted, some of them are clear, some are coloured (red or blue). This one was probably all red originally, and was used on night fighters, although some pilots preferred the red dimmed bulbs to the normal ones as the gunsight reticle wouldn't be as strong. It might also have been a case of not having spare bulbs available and the ground crew scraped off the red coating to make the bulb usable on day fighters. Edited December 11, 2013 by Sternjaeger
OBT-Psycho Posted December 11, 2013 Posted December 11, 2013 you lucky dude! At some point I was looking for some ReVi and I found a resin cast kit. But it was a limited serie of just a few issues and didn't get my hand on it. There Eduard, a czeck model kit company issued a 1/4 replica of the instrument panel of the Emil for a couple of bucks, I jumped in. The kit is on the shelf and still need to be build. but christmas holyday soon... Very nice piece though. And this is awesome that it fell in the hand of one able to fix it. Can't wait to see it shining back to life
DD_bongodriver Posted December 11, 2013 Posted December 11, 2013 here are some piccies before the restoration: it will need two original glasses (got 'em already), a tiny repair to the leather on the crashpad (found a company that's gonna do it for me) and a general cleaning :-) Looks like you will need the crosshair on the iron sight fixing too.
Sternjaeger Posted December 11, 2013 Author Posted December 11, 2013 (edited) yep, gonna clean and paint strip the iron sights, fix the crosshair and repaint it. I've done it before on another Revi for a mate and it's quite straightforward fortunately. I've always felt there's an element of original patina that should be preserved (I've seen some god awful "restorations" done to these gunsights in the past), but superficial rust needs to be treated. What I love about it is that it's been used in operational aircraft, and that's what makes it even more fascinating for me. Edited December 11, 2013 by Sternjaeger 1
SOLIDKREATE Posted December 12, 2013 Posted December 12, 2013 Sternjager did I ever mention that I hate your guts. Nice addition to the KG-13 you have. Where do you buy this stuff and would they ship to the US? I found a P-51D-30 gun sight (Korean War era) here: http://www.warbird-parts.com/invent/P-51.html Look at item L-20 (the very first one). I'd love to get a Fw-190A-5 or D series stick and sight one day.
Sternjaeger Posted December 12, 2013 Author Posted December 12, 2013 (edited) Sternjager did I ever mention that I hate your guts. Nice addition to the KG-13 you have. Where do you buy this stuff and would they ship to the US? I found a P-51D-30 gun sight (Korean War era) here: http://www.warbird-parts.com/invent/P-51.html Look at item L-20 (the very first one). I'd love to get a Fw-190A-5 or D series stick and sight one day. hahaha no but you're not the first joking aside, yep, it's a nice piece, but I've been looking for the "right" one for quite some time now, one that would be missing the right bits to bring the price a bit down, yet be a desirable fighter one. There are a lot of Ju87 ones out there (they normally have the black crashpad and a quick release red handle), and in general they're often quite expensive (even if relatively common, I got much much rarer gunsights in my collection, but the price of Nazi memorabilia is always stupidly high ). I know that website well and the owner is quite a nice chap, but that K-14 has been there for a while, mainly because it's not exactly what it says it is.. a lot of K-14s have been reassembled over the years, often with incorrect parts, and you might end up paying top dollar for a "frankenstein's finest" as I call them.. Also be VERY careful with Luftwaffe memorabilia in general: Revi 12s are usually expensive because they weren't produced postwar, but the KG-13 and Revi 16 were, so it's not uncommon to see fakes, either based on postwar components or even completely fabricated, and often well made too, and again you REALLY need to know what you're buying, or you might end up spending a lot of cash for a fake. Like for any other memorabilia field, it can be a truly ruthless world Edited December 12, 2013 by Sternjaeger
LG1.Farber Posted December 12, 2013 Posted December 12, 2013 (edited) Nice, good condition. Would you like a manual to go with it? Ill see if I've got one.... Send me your email via PM. Im really not an expert but these manuals seem to date it at ~1940... Edited December 12, 2013 by 5./JG27Farber 1
Sternjaeger Posted December 12, 2013 Author Posted December 12, 2013 (edited) Thanks Farber, I already have the manuals for it I wish it was a 1940s model! As far as I know the Revi C/12 D was indeed introduced from 1940, but to ascertain the right year you'd have to cross reference it with the serial number, for which I have no reference. Again, the only thing I know is that it was meant for the Bf109, and according to the previous owner, it actually came from a Macchi 205, as these were used also by the ANR in 1944/45, removed from Bf109s and installed on the Italian fighters. So this could actually have been used on a Bf109 AND a Macchi 205, but this unfortunately can't be 100% proven though :-/ Edited December 12, 2013 by Sternjaeger
LG1.Farber Posted December 12, 2013 Posted December 12, 2013 Ahh Revi C 12 / D manual here from 42... I dont know then... Really have no idea. Take care of your piece of history.
1CGS LukeFF Posted December 14, 2013 1CGS Posted December 14, 2013 Very, very nice! I used to have a whole bunch of original Luftwaffe instruments, but I've sold most of them over the years.
Sternjaeger Posted December 14, 2013 Author Posted December 14, 2013 (edited) Very, very nice! I used to have a whole bunch of original Luftwaffe instruments, but I've sold most of them over the years. yeah, I've been collecting all sorts of random aviation stuff over the years: got a FW190 fuel filler cap, a T-6 valve, propellers, rudders etc… I'm trying to concentrate only on gunsights and ammunition now, and the next on the shopping list is a Revi 16 :-) I started giving most of my instruments away after I got more info on the radiation hazard, which is small but is there nonetheless.. so I thought I'd rather avoid having full panels and/or cabinets full of instruments. Edited December 14, 2013 by Sternjaeger
SOLIDKREATE Posted December 15, 2013 Posted December 15, 2013 hahaha no but you're not the first joking aside, yep, it's a nice piece, but I've been looking for the "right" one for quite some time now, one that would be missing the right bits to bring the price a bit down, yet be a desirable fighter one. There are a lot of Ju87 ones out there (they normally have the black crashpad and a quick release red handle), and in general they're often quite expensive (even if relatively common, I got much much rarer gunsights in my collection, but the price of Nazi memorabilia is always stupidly high ). I know that website well and the owner is quite a nice chap, but that K-14 has been there for a while, mainly because it's not exactly what it says it is.. a lot of K-14s have been reassembled over the years, often with incorrect parts, and you might end up paying top dollar for a "frankenstein's finest" as I call them.. Also be VERY careful with Luftwaffe memorabilia in general: Revi 12s are usually expensive because they weren't produced postwar, but the KG-13 and Revi 16 were, so it's not uncommon to see fakes, either based on postwar components or even completely fabricated, and often well made too, and again you REALLY need to know what you're buying, or you might end up spending a lot of cash for a fake. Like for any other memorabilia field, it can be a truly ruthless world Oh wow man thanks for the good info! I was going to buy it on my next paycheck next week. Well, back to the hunt!
Sternjaeger Posted December 15, 2013 Author Posted December 15, 2013 Oh wow man thanks for the good info! I was going to buy it on my next paycheck next week. Well, back to the hunt! No problem, glad to be of help
ITAF_Rani Posted December 15, 2013 Posted December 15, 2013 Stern..i really hate you.. Good job mate !!
Sternjaeger Posted December 15, 2013 Author Posted December 15, 2013 (edited) LOL thanks man Edited December 15, 2013 by Sternjaeger
Deltrex Posted December 15, 2013 Posted December 15, 2013 So you guys seem to know something about getting WWII tech, is it possible to get a Revi at a reasonable price somewhere? I don't care if it's real or a (exact) replica, but it has to work. (Are there even good replicas?)
Krupi Posted December 15, 2013 Posted December 15, 2013 Oh... should I be worried about the radiation levels from the clock? :/
Sternjaeger Posted December 15, 2013 Author Posted December 15, 2013 (edited) most old instruments had the numbers and indexes painted with radium paint, which was meant to spontaneously glow mildly in the dark or more strongly when lit with UV lights. Radium emits alpha radiation, and normally the glass is enough to stop the radiation itself, but you must avoid touching the dial, breathing the dust you might find inside or keep instruments without glass. Also it is advisable not to keep big concentrations of instruments in one place, especially if they sit near you (i.e. on a bookshelf). You might also want to check the legislations in your country: some countries categorically forbid the collecting of ex-military instruments and other potentially hazardous items, and it can cost you a hefty fine (other than losing all your items!). Edited December 15, 2013 by Sternjaeger
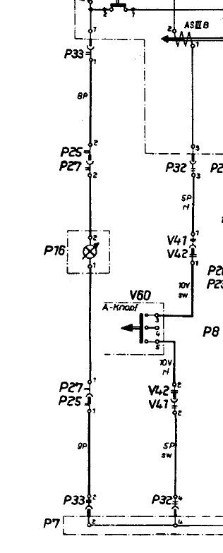
Sternjaeger Posted January 21, 2014 Author Posted January 21, 2014 (edited) right, it turns out that this specific Revi C12/D was with all probability installed at least on a FW190A-6, as the electrical circuit identifier "P16" is specific to only that variant, as normally Revi electrical wiring was identified with "P11", quite nice uh?! This same version was of course used on many other aircraft (from Bf109F onwards to the G-6, FW190s, Ju88, Hs-129 etc...), but having found the specific aircraft it was installed on makes it even more valuable and interesting I think restoration is underway and yes, the reticle is there and I'll post a picture at some point Edited January 21, 2014 by Sternjaeger 1
sturmkraehe Posted January 21, 2014 Posted January 21, 2014 I guess we need a mechanical back up gun sight in our BOS 109s ...
1CGS LukeFF Posted January 22, 2014 1CGS Posted January 22, 2014 I guess we need a mechanical back up gun sight in our BOS 109s ... It's already there.
VO101_MMaister Posted January 22, 2014 Posted January 22, 2014 Wow, that is an amazing relic! Congrats! Where one should have a look around to search for such items? Except E-bay of course:) MM
Sternjaeger Posted January 22, 2014 Author Posted January 22, 2014 (edited) just received a copy of the electrical schematics for the FW190A-5 and 6, and it's P-16 on both, I'm well chuffed with this, because not only it means this specific gunsight was used on a FW190 (and possibly on a Macchi 205 afterwards), but also because since there's the code painted on it, it means it was definitely operational, so it was indeed used in combat... Next is to find some genuine glasses for it (got perspex replacements for it at the moment), cleaning some of the rust and fixing the iron sights, and I'll then create an adequate power supply for it :-) Wow, that is an amazing relic! Congrats! Where one should have a look around to search for such items? Except E-bay of course:) MM it's not easy actually, it really depends on what you're looking for, but don't expect to pay less than €2k for a complete one. There are more or less desirable ones as well, some collectors like their gunsights to be unissued and in perfect conditions, I prefer mine to have a relevant history or evidence of actually having been used in combat. Ebay is the main source, but there are other private circuits of collectors, but it's really really really dodgy sometimes, especially because there's big money involved, and I've also stumbled across some seriously well made fakes! Edited January 22, 2014 by Sternjaeger
VO101_MMaister Posted January 22, 2014 Posted January 22, 2014 it's not easy actually, it really depends on what you're looking for, but don't expect to pay less than €2k for a complete one. There are more or less desirable ones as well, some collectors like their gunsights to be unissued and in perfect conditions, I prefer mine to have a relevant history or evidence of actually having been used in combat. Ebay is the main source, but there are other private circuits of collectors, but it's really really really dodgy sometimes, especially because there's big money involved, and I've also stumbled across some seriously well made fakes! I would also prefer the one with service history. If I was to rebuild a warbird, I would go for the unused one with pristine condition. But as a collector item, I agree that the one with patina and history is much more valuable. It talks to you;)
Sternjaeger Posted January 22, 2014 Author Posted January 22, 2014 (edited) it does indeed: years ago I received as inheritance a Mauser rifle used during the Spanish Civil War. The gun had marks on the buttstock (like someone had been recording kills..) and when we opened to clean it we found dried blood between the stock and barrel.. one can only wonder who was and what happened to the owner of that gun! Edited January 22, 2014 by Sternjaeger
BlitzvogelMcpeek78 Posted April 5, 2014 Posted April 5, 2014 The finnish made them too. Put them in all their planes. Sure wish IL-2 would do a finnish IL-2 Battle. Man those finns were good. Turned the Buffalo B-239 in to the highest kill to loss airplane in the history of aircombat. Just think what they would of done with a more compentent airplane early on. Aside frome the germans they had the highest scoring aces. Not mention probably the most honest non fudging kill claims of the whole war. The russian on the other hand claimed three times as many airplanes as the fins even had during the winter war. Just love those finns. God bless Soumiland
Wulf Posted April 21, 2014 Posted April 21, 2014 (edited) it does indeed: years ago I received as inheritance a Mauser rifle used during the Spanish Civil War. The gun had marks on the buttstock (like someone had been recording kills..) and when we opened to clean it we found dried blood between the stock and barrel.. one can only wonder who was and what happened to the owner of that gun! I inherited an RAF flying helmet with a cannon splinter exit hole through the top, and a badly blood stained lining. Unfortunately, the original owner didn't survive . Although I'd rather have the thing than not, it's very difficult to know exactly what to do with it. Very nice Revi by the way. Edited April 21, 2014 by Wulf 1
Sternjaeger Posted April 21, 2014 Author Posted April 21, 2014 my best piece of advice is finding the complete history behind it and loan it to a museum: this sort of memorabilia with history are always welcome and sought after by small museums. It'd still be yours of course, but at least it can be shown and tell its story to a lot more people.
EliteWing Posted April 21, 2014 Posted April 21, 2014 Stern, would you be so kind to send me a PM with the location on where to find collectors items such as these? Great find btw... We have a old F4U pilots seat sitting in our garage waiting to be refirbished
Sternjaeger Posted May 16, 2014 Author Posted May 16, 2014 (edited) update on the restoration: I have added the following bits Original dark glass (don't ask how much I paid for it..) Replica large reflector glass (the original ones are apparently very hard to find, the one I got is a plexiglas replica, which is better than nothing and is well made). I also found the precise measures of the original one, which means I could have a glass replica made, this would be more accurate and will eliminate the double refraction issue you get with a plexiglas surface. correct plug for the FW190 installation (this comprises a plug and socket, which will be connected to a power source, because yes, it still works!) original support bracket, which will allow me to install the gunsight on a base. I also found a great product which converts surface rust to a black ferrous surface (I think it's magnetite?), this will help resolve the very faint rusty surface of the iron sight. Last night I put the plug pins on a 9 volts battery and the reticle lit up (albeit faintly, since I think these ran at 24 volts?), this was somewhat emotional, as this specific gunsight has seen action and that reticle was indeed used to shoot.. one can only wonder what sort of action this sight saw.. I will have to pause the completion of the restoration for a bit as we're moving home, but I'm at a good stage and really looking forward to complete it! Once finished the gunsight will be complete of all its parts and it will be possible to light it up. The project is to to de same for the other gunsights I have as well :-) Edited May 16, 2014 by Sternjaeger
79_vRAF_Friendly_flyer Posted May 16, 2014 Posted May 16, 2014 Hadn't seen this until now. You luck, lucky, lucky sod!
Sternjaeger Posted May 16, 2014 Author Posted May 16, 2014 Hadn't seen this until now. You luck, lucky, lucky sod! lol wait until you see the rest of the collection! ;-) Meanwhile I might even have found a testbed for gyro gunsights, so that I can "play" with my K-14B 1
LLv34_Flanker Posted May 17, 2014 Posted May 17, 2014 S! Nice addition to your collection Stern Finns did make their own version of Revi too, as mentioned above. Rare as heck those too and made in not so great numbers like Revi was.
Recommended Posts
Create an account or sign in to comment
You need to be a member in order to leave a comment
Create an account
Sign up for a new account in our community. It's easy!
Register a new accountSign in
Already have an account? Sign in here.
Sign In Now